EasyManua.ls Logo

Panasonic AFPX-C30T - Page 348

Panasonic AFPX-C30T
544 pages
To Next Page IconTo Next Page
To Next Page IconTo Next Page
To Previous Page IconTo Previous Page
To Previous Page IconTo Previous Page
Loading...
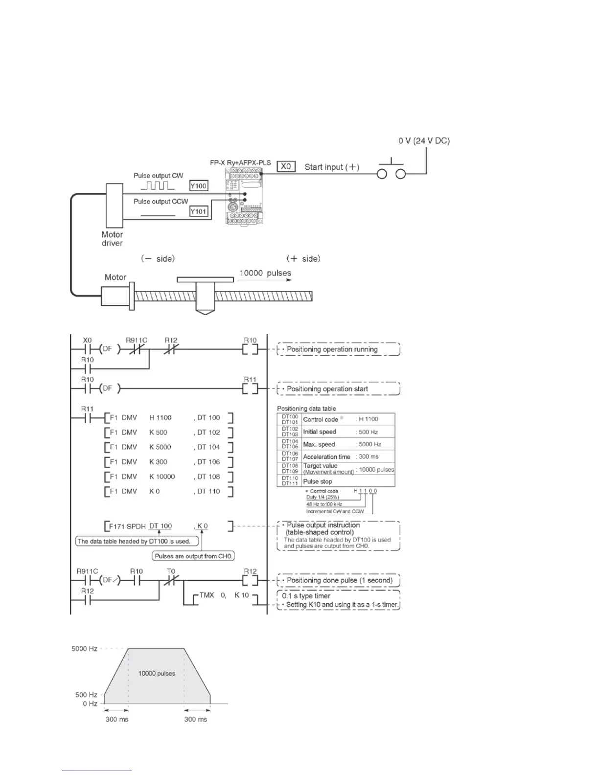
Sample program
Incremental Position Control Operation: Plus Direction
When X0 turns on, the pulse is output from CW output Y100 of the specified channel CH0.
Note) In that case, the memory Y100 does not turn on/off according to the pulse output, and also the
monitoring is not possible.
Program
Pulse output diagram
Phone: 800.894.0412 - Fax: 888.723.4773 - Web: www.clrwtr.com - Email: info@clrwtr.com

Table of Contents

Related product manuals