EasyManua.ls Logo

Panasonic CU-8ME1XPK - Page 260

Panasonic CU-8ME1XPK
643 pages
Print Icon
To Next Page IconTo Next Page
To Next Page IconTo Next Page
To Previous Page IconTo Previous Page
To Previous Page IconTo Previous Page
Loading...
PACD011001C2 Function
Function Urban Multi “MX1R, ME1R Series” Using R-407C 239
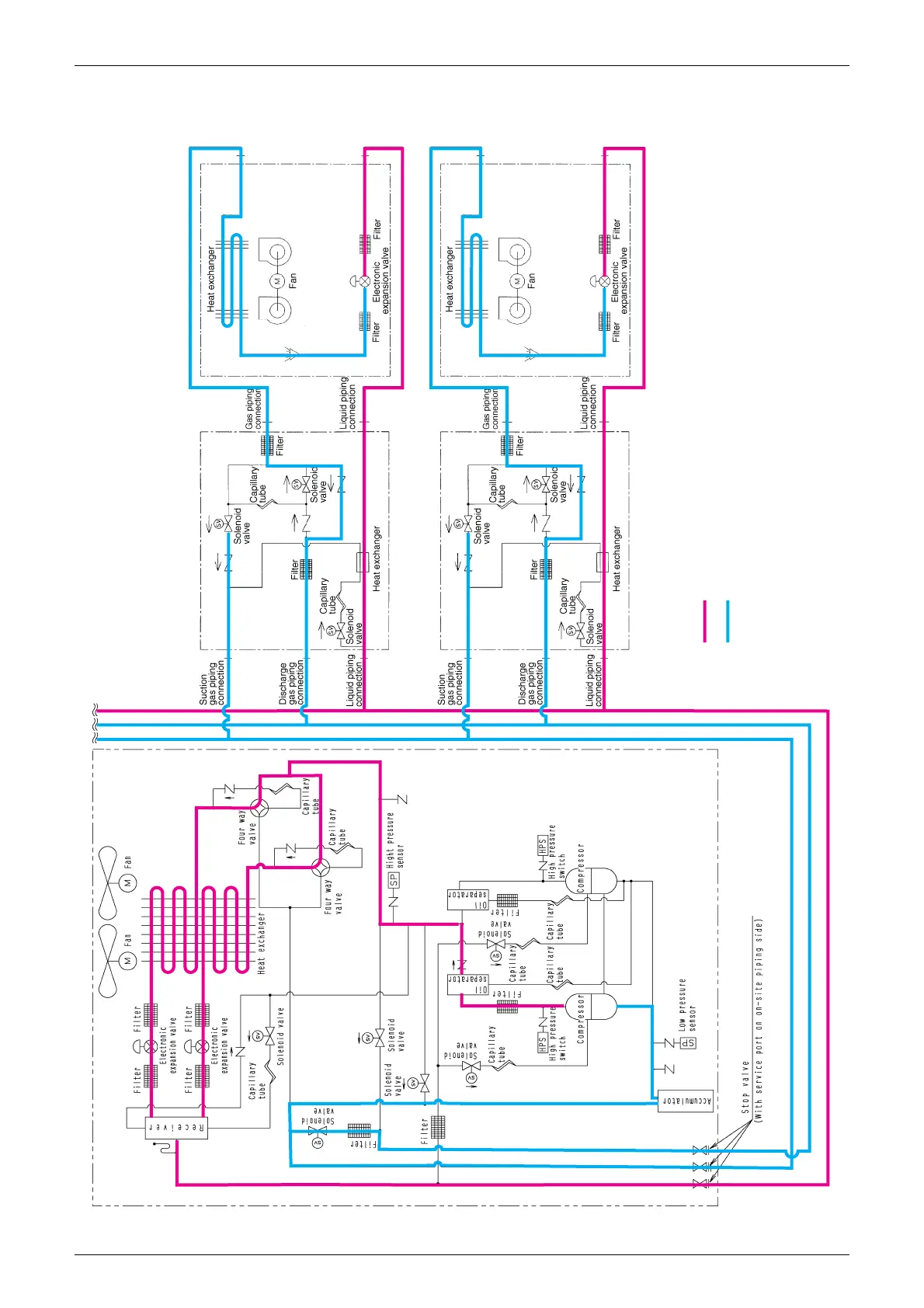
1.3.4 Discharge Oil Return, Defrost
High pressure
Low pressure
(M011)

Table of Contents

Other manuals for Panasonic CU-8ME1XPK

Related product manuals