EasyManua.ls Logo

Panasonic CU-8ME1XPK - Interface Adaptor for Urban Split Series (CZ-102 AP11 P)

Panasonic CU-8ME1XPK
643 pages
Print Icon
To Next Page IconTo Next Page
To Next Page IconTo Next Page
To Previous Page IconTo Previous Page
To Previous Page IconTo Previous Page
Loading...
Interface Adaptor PACD011001C2
608 Appendix
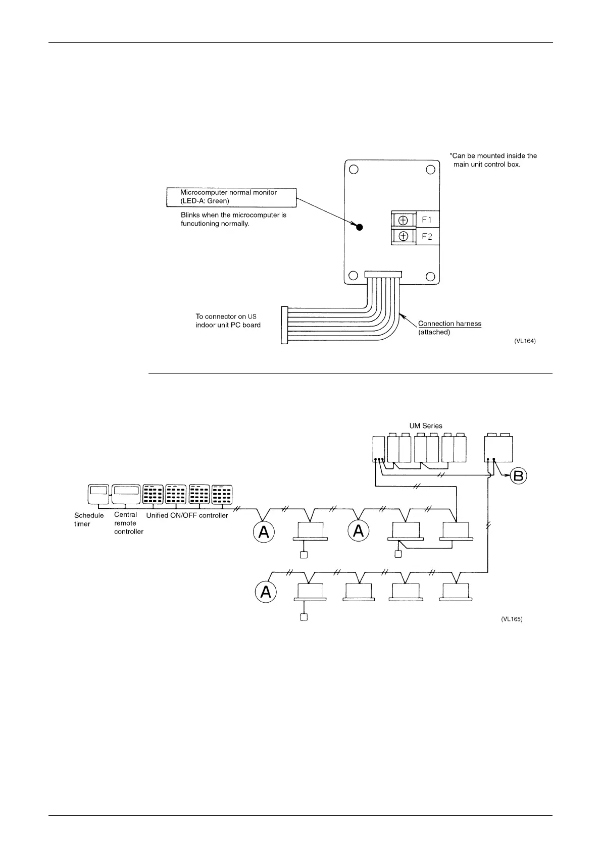
6.4 Interface Adaptor for Urban Split Series (CZ-102AP11P)
<Objective / use>
The interface adaptor for US series lets you connect optional controllers for centralised control (central
remote controller, unified ON/OFF controller, schedule timer) with US.
Part Names and Functions
<System Outline>
If using UM System Inverter in common with transmission line, connect either A indoor-to-outdoor unit
transmission wiring or B outdoor-to-outdoor unit transmission wiring.

Table of Contents

Other manuals for Panasonic CU-8ME1XPK

Related product manuals