EasyManua.ls Logo

Panasonic CU-8ME1XPK - Page 35

Panasonic CU-8ME1XPK
643 pages
Print Icon
To Next Page IconTo Next Page
To Next Page IconTo Next Page
To Previous Page IconTo Previous Page
To Previous Page IconTo Previous Page
Loading...
Function PACD011001C2
14 Function Urban Multi “MX1, ME1 Series” Using R-22
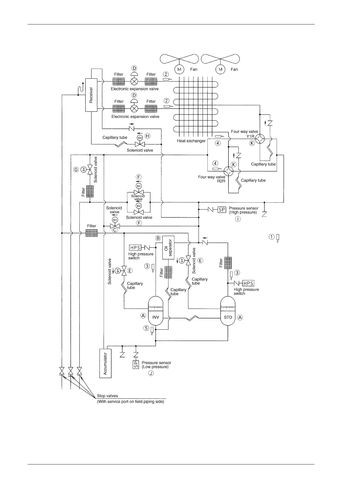
1.1.3 CU-8·10ME1XPA (Heat Recovery)

Table of Contents

Other manuals for Panasonic CU-8ME1XPK

Related product manuals