EasyManua.ls Logo

Panasonic CU-8ME1XPK - Page 620

Panasonic CU-8ME1XPK
643 pages
Print Icon
To Next Page IconTo Next Page
To Next Page IconTo Next Page
To Previous Page IconTo Previous Page
To Previous Page IconTo Previous Page
Loading...
PACD011001C2 Interface Adaptor
Appendix 599
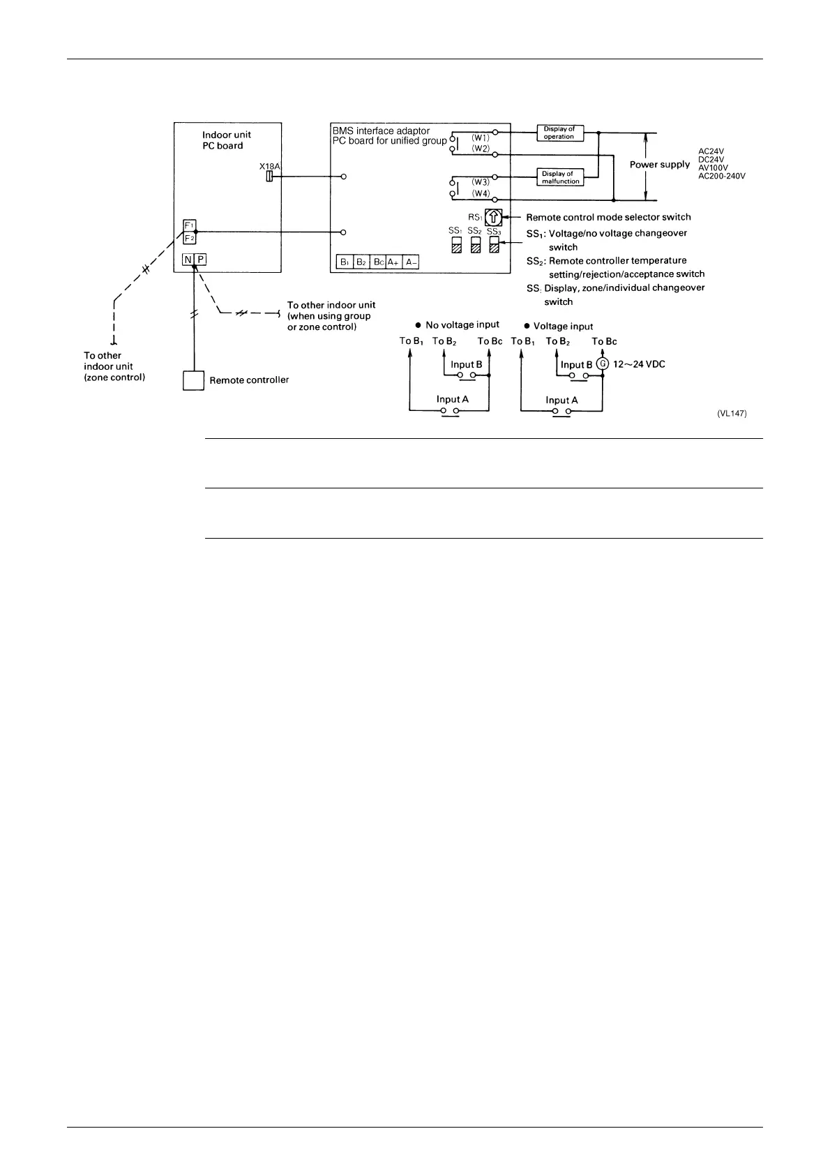
6.1.2 Wiring
Operation Signal
Combined use of constant contact (a) and instantaneous contact (a)
Combined use of voltage 12~24 VDC, no voltage
Control Mode
Remote control mode selector switch (Control contents differ according to input mode. See the following
page for details.)
Display Signal
Fetch
Display of malfunction signal (no voltage contact [a])
Display of operation (no voltage contact [a])
Remote temperature setting (Can be set from 16~32°C.)
Note:
For voltage input, approximately 10 mA of input current per contact is required.
In the case of input, use a micro-current contact as the input contact.
There is no polarity for voltage input.
Either plus common or minus common can be used for terminal BC.
Temperature input is resistance value input of 0~135
.

Table of Contents

Other manuals for Panasonic CU-8ME1XPK

Related product manuals