EasyManua.ls Logo

Panasonic SA-MAX8000 - Main (IO Expansion) Circuit

Panasonic SA-MAX8000
104 pages
Print Icon
To Next Page IconTo Next Page
To Next Page IconTo Next Page
To Previous Page IconTo Previous Page
To Previous Page IconTo Previous Page
Loading...
47
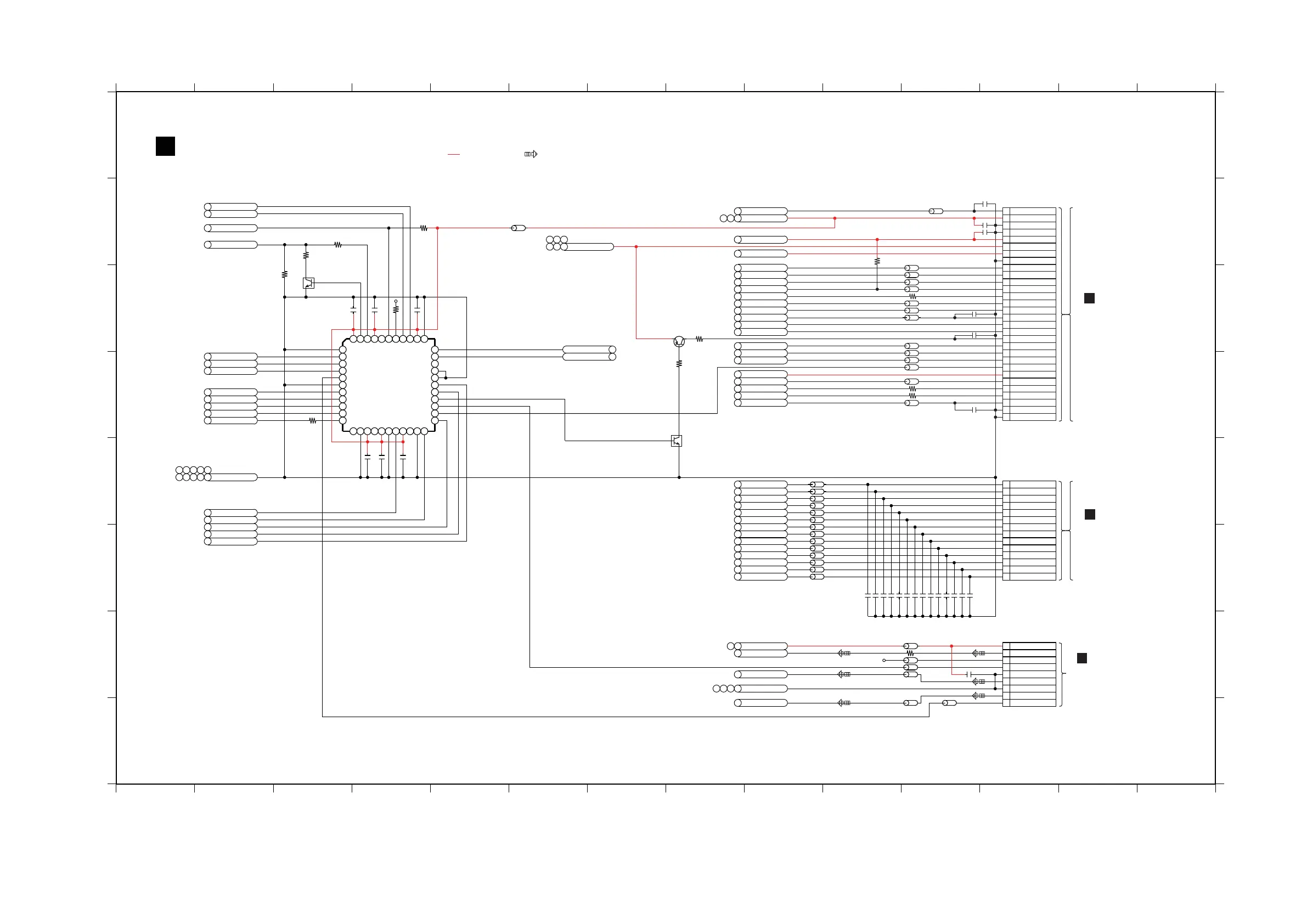
12.2. Main (IO Expansion) Circuit
A
1
2 3 4 5 6 7 8 9 10 11 12 13 14
1 2 3 4 5 6 7 8 9 10 11 12 13 14
C
D
B
E
G
H
F
A
C
D
B
E
G
H
F
A
MAIN (IO EXPANSION) CIRCUIT
SCHEMATIC DIAGRAM - 1
SA-MAX8000GN MAIN (IO EXPANSION) CIRCUIT
E
TO
BUTTON LEFT
CIRCUIT (P1500)
IN SCHEMATIC
DIAGRAM - 18
E
TO
BUTTON LEFT
CIRCUIT (P1501)
IN SCHEMATIC
DIAGRAM - 18
G
TO
MIC CIRCUIT
(CN1401)
IN SCHEMATIC
DIAGRAM - 20
: +B SIGNAL LINE
: AUX/MIC INPUT SIGNAL LINE
1
30
1
14
IO: MAIN (IO EXPANSION): SCHEMATIC DIAGRAM - 1
FA: MAIN (FAN LED): SCHEMATIC DIAGRAM - 2
DS: MAIN (DSP): SCHEMATIC DIAGRAM - 3
AB: MAIN (AMP BTL): SCHEMATIC DIAGRAM - 4 ~ 5
MI: MAIN (MICON): SCHEMATIC DIAGRAM - 6 ~ 7
AS: MAIN (AMP SINGLE): SCHEMATIC DIAGRAM - 8 ~ 9
FE: MAIN (FE): SCHEMATIC DIAGRAM - 10
KA: MAIN (KARAOKE): SCHEMATIC DIAGRAM - 11
DI: MAIN (DIGITAL POWER): SCHEMATIC DIAGRAM - 12 ~ 13
US: MAIN (USB): SCHEMATIC DIAGRAM - 14
AU: MAIN (AUX TUNER): SCHEMATIC DIAGRAM - 15
0.1C1205
PW_SW5R4V
10K
R1236
SP_SCL
SP_SDA
B1ADCE000012
LED DRIVE
Q1802
0.1C1204
C1203 0.1
0.1C1201
C1202 0.1
R1827
4.7K
R1826
0
B1GBCFGN0016
SWITCH
QR1802
VOL_JOG_A
ROT_JOG_A
Z8
Z10
Z7
Z4
Z9
AGND
MPORT_IN_R
MPORT_IN_L
MIC_IN
Z2
ROT_JOG_B
Z1
Z6
Z3
Z5
VOL_JOG_B
R1807
J0JYC0000656
R1809 1K
LB1803 J0JYC0000656
LB1805 J0JYC0000656
LB1807 J0JYC0000656
LB1809 J0JYC0000656
LB1811 J0JYC0000656
LB1813 J0JYC0000656
LB1815 J0JYC0000656
LB1814 J0JYC0000656
LB1812 J0JYC0000656
LB1810 J0JYC0000656
LB1808 J0JYC0000656
LB1806 J0JYC0000656
LB1804 J0JYC0000656
LB1802 J0JYC0000656
R1806 J0JYC0000656
3
2
6
7
4
5
1
9
8
P1803
5
4
7
8
9
11
10
6
1
3
2
13
12
14
P1801
C1810 470P
C1811 470P
C1812 470P
C1813 470P
C1814 470P
C1815 470P
C1816 470P
C1817 470P
C1818 470P
C1819 470P
C1820 470P
C1821 1000P
C1822 1000P
C1823 1000P
21
5
6
3
1
2
4
19
9
7
8
16 17
11
10
12 151413 18 20
35374244 43 39 3841 40 36
33
22
31
29
27
24
23
26
25
28
30
32
34
C0ZBZ0002175
IO EXPANDER
IC1202
68K
R1228
USBLED_PLAY1
USBLED_REC
SP_INT
MI
US
US
FA
DI
AU
AU
DS
DS
DS
AS
DI
DI
DSMI
MI
KAAU
AU
FA
FA
US
ASABFEUS
FA DSAS
MI
MI
KADIUS
DIUS
MI
MI
MI
MI
KA DIAU
AU
FA
AU
KA
FA
FA
FA
FA
FA
FA
FA
FA
FA
FA
REM_IN
MI
PW_XSW3R3V
MI
PW_SW3R3V
MI
PW_FL_SW12V
DI
FL1_CS
MI
FL2_CS
MI
FL_SCLK
MI
FL_SDO
MI
MUX_COM
MI
MUX_INPUT_B
MI
MUX_INPUT_A
MI
KEY1
MI
DJ_JOG_B
MI
DJ_JOG_A
MI
BT_UART_TX
MI
BT_UART_RX
MI
BT_HOST_WAKE
MI
BT_UART_RTS
MI
PW_BT_SW4R6V
DI
I2C_SDA
MI
I2C_SCL
MI
NFC_IRQ
MI
AS
FAN_OUT
0.1C1206
R1226
47m
3.3K
R1229
QR1201
B1GBCFJJ0040
SWITCH
ANALOG_SEL2
DRV_AMP_MUTE
DSP_MUTE
ANALOG_SEL
AMP_FHOP
DAMP_MOD_DA
TUN_RST
NRST
USB_A_PCONT
DGND
ILUMI_NRST
USB_OE
DSP_RESET
POWER_UP
R1212
0
VOL_JOG_B
VOL_JOG_A
Z1
Z3
Z6
Z4
Z8
Z9
Z10
Z7
Z5
Z2
ILLUMI_JOG_B
MIC_GND
MIC_IN
MPORT_GND
MPORT_IN_L
MPORT_DET
MIC_DET_2
PW_SW12R0V
MIC_DET_1
MPORT_IN_R
ILLUMI_JOG_A
VDD
KPX6
NC
VSS
VDD
VSS
KPX0
VSS
VDD
KPX7
KPY8
KPX3
PWM0
IRQN
[33] SDA
VDD
KPX2
[23] PX4
KPY1
VSS
KPY0
KPY3
KPY2
PWM2
VDD
KPY9
KPY10
KPY11
[11] KPX1
PWM1
VDD
[1] VSS
EXITIO0
KPX5
KPY4
KPX6
KPY7
RESETN
VSS
DIR25
SCL
VSS
DIR24
KPY5
C1809
1000P
R1812
J0JYC0000656
R1828 J0JYC0000656
J0JYC0000656
LB1201
PW_SW12R0V
R1808
J0JYC0000656
DIAU
R1810 J0JYC0000656
R1204 0
R1802 J0JYC0000656
R1803 J0JYC0000656
R1811 J0JYC0000656
R1804 J0JYC0000656
R1815
4.7K
R1805
J0JYC0000656
1000P
C1826
C1804
1000P
C1803
1000P
R1813 0
R1814 J0JYC0000656
R1801 J0JYC0000656
C1824 1000P
C1808 1000P
LB1801 J0JYC0000656
R1820 J0JYC0000656
R1822 0
R1823 0
R1821 J0JYC0000656
1000P
C1825
R1816 J0JYC0000656
R1817 J0JYC0000656
R1819 J0JYC0000656
6
7
5
9
25
24
26
21
20
22
17
18
13
10
12
11
16
14
15
19
23
28
27
8
1
3
4
2
29
30
P1802
R1818 J0JYC0000656
DJ_JOG_A
BT_LDO_ON
DGND
DGND
NFC_SCL
NFC_SDA
NFC_IRQ3V
BT_UART_RX
BT_UART_RTS
BT_UART_TX
DJ_JOG_LED_CTRL
BT_HOST_WAKE
PW_BT_SW4R6V
DGND
FL1_CS
FL2_CS
DGND
PW_SW5V
PW_FL12V
DGND
REM_IN
KEY1
FL_DIN
FL_CLK
DJ_JOG_B
MUX_COM
PW_SW3R3V
PW_STBY3R3V
MUX_INPUT_A
MUX_INPUT_B

Table of Contents

Related product manuals