EasyManua.ls Logo

Panasonic SA-MAX8000 - Main (Amp BTL) Circuit (2;2)

Panasonic SA-MAX8000
104 pages
Print Icon
To Next Page IconTo Next Page
To Next Page IconTo Next Page
To Previous Page IconTo Previous Page
To Previous Page IconTo Previous Page
Loading...
51
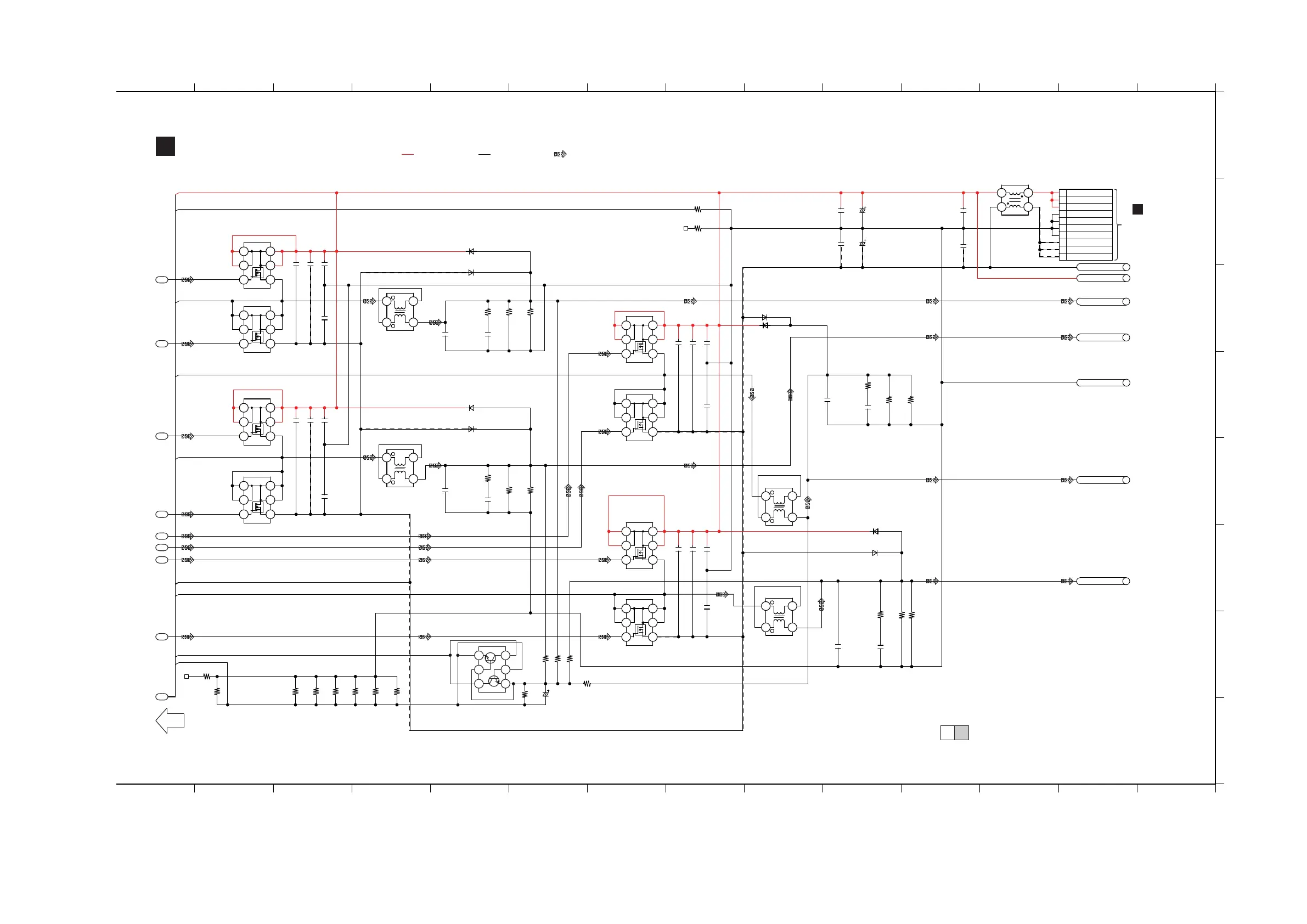
12.6. Main (Amp BTL) Circuit (2/2)
15 16 17 18 19 20 21 22 23 24 25 26 27 28
15 16 17 18 19 20 21 22 23 24 25 26 27 28
A
C
D
B
E
G
H
F
MAIN (AMP BTL) CIRCUIT
SCHEMATIC DIAGRAM - 5
SA-MAX8000GN MAIN (AMP BTL) CIRCUIT
2/21/2
TO MAIN (AMP BTL)
CIRCUIT (1/2)
1
3
2
4
5
6
8
P1
7
L
TO
SMPS CIRCUIT
(CN1853)
IN SCHEMATIC
DIAGRAM - 22
: +B SIGNAL LINE : -B SIGNAL LINE
NOTE: “ * ” REF IS FOR INDICATION ONLY
: OUTPUT SIGNAL LINE
IO: MAIN (IO EXPANSION): SCHEMATIC DIAGRAM - 1
FA: MAIN (FAN LED): SCHEMATIC DIAGRAM - 2
DS: MAIN (DSP): SCHEMATIC DIAGRAM - 3
AB: MAIN (AMP BTL): SCHEMATIC DIAGRAM - 4 ~ 5
MI: MAIN (MICON): SCHEMATIC DIAGRAM - 6 ~ 7
AS: MAIN (AMP SINGLE): SCHEMATIC DIAGRAM - 8 ~ 9
FE: MAIN (FE): SCHEMATIC DIAGRAM - 10
KA: MAIN (KARAOKE): SCHEMATIC DIAGRAM - 11
DI: MAIN (DIGITAL POWER): SCHEMATIC DIAGRAM - 12 ~ 13
US: MAIN (USB): SCHEMATIC DIAGRAM - 14
AU: MAIN (AUX TUNER): SCHEMATIC DIAGRAM - 15
A
2
3
1
5
4
6
B1HBCDA00001
Q4509
GND_PW
0.1
C4561
PW_+40V
0.1
C4560
3
2
4
1
G0C100M00009
L4506
6
8
9
7
2
1
4
5
3
10
P4501
PW_-40V
DI
DI
FA
AMP_GND
0
R4596
0
R4597
R4599
0
0
R4598
0
R4583
R4600
0
0
C4571
R4601
0
PWR_GND
-B (-40V)
-B (-40V)
-B (-40V)
PWR_GND
PWR_GND
+B (40V)
+B (40V)
+B (40V)
PWR_GND
1C4533
C4532 1
C4531 1
0
C4570
0
C4599
4
6
52
1
3
Q4501
B1CBRK000001
C4530 1
4
6
52
1
3
Q4502
B1CBRK000001
B0HCMM000024
D4510
D4511
B0HCMM000024
PW_-40V
1
C4556
50V3300
C4568
PW_+40V
1
C4555
50V3300
C4567
1
C4585
2.7K
R4560
2.7K
R4559
R4558
10
C4535
0.1
C4541 1
C4540 1
C4539 1
4
6
52
1
3
Q4504
B1CBRK000001
AMPLIFIER
AMPLIFIER
AMPLIFIER
D4512
B0HCMM000024
D4513
B0HCMM000024
2
43
1
G0C100M00013
L4501
2
43
1
G0C100M00013
L4503
DGND
DC_DET_AMP
C4546 1
C4547 1
C4545 1
D4514
B0HCMM000024
D4515
B0HCMM000024
1
C4587
R4566
10 2.7K
R4564
2.7K
R4565
C4552
1
C4554
1
D4517
B0HCMM000024
2
43
1
G0C100M00013
L4502
2
43
1
G0C100M00013
L4504
R4572
10K
R4576
120K
R4569
10
C4548
0.1
1
C4588
2.7K
R4567
D4516
B0HCMM000024
DC DETECT
R4574 120K
R4575 120K
R4573 120K
C4549
6.3V47
C4553
1
1
C4550
C4542
0.1
1C4543
4
6
52
1
3
Q4506
B1CBRK000001
4
6
52
1
3
Q4505
B1CBRK000001
4
6
52
1
3
Q4507
B1CBRK000001
4
6
52
1
3
Q4508
B1CBRK000001
AMPLIFIER
AMPLIFIER
AMPLIFIER
AMPLIFIER
1C4537
2.7K
R4562
2.7K
R4561
C4536
0.1
R4563
10
1
C4586
4
6
52
1
3
Q4503
B1CBRK000001
AMPLIFIER
VS2
VS1
VS4
VS3
2.7K
R4568
LEFT LOW-
RIGHT LOW+
LEFT LOW+
RIGHT LOW-
AS
AS
AS
AS
RL4502*
RL4501*

Table of Contents

Related product manuals