EasyManua.ls Logo

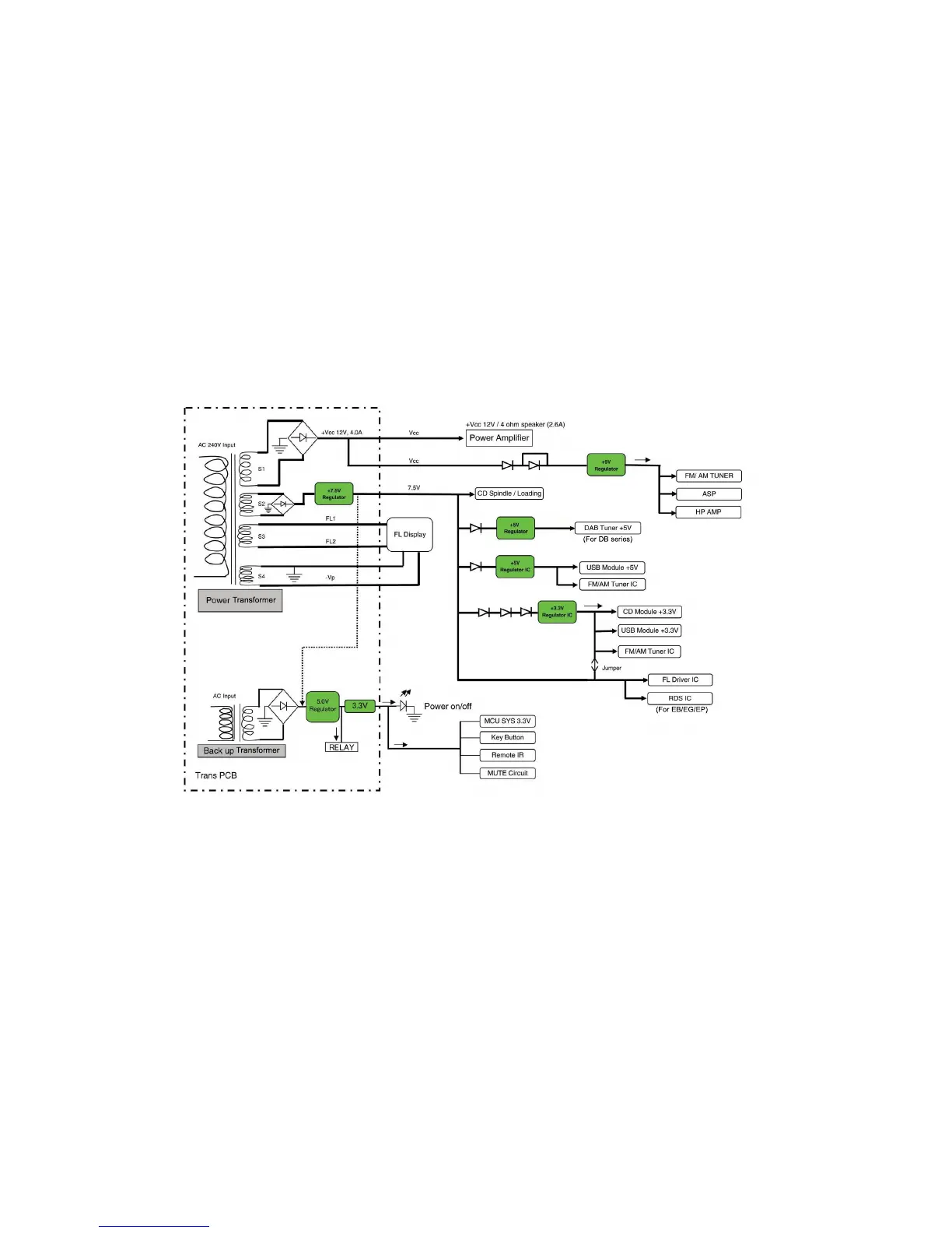
Panasonic SA-PM24EB - 14.2. Block Connection Diagram

Panasonic SA-PM24EB
99 pages
Print Icon
To Next Page IconTo Next Page
To Next Page IconTo Next Page
To Previous Page IconTo Previous Page
To Previous Page IconTo Previous Page
Loading...
64
14.2. Block Connection Diagram

Table of Contents

Related product manuals