EasyManua.ls Logo

Panasonic SA-PM38DBEB - Power Amplifier IC (IC5101) Replacement

Panasonic SA-PM38DBEB
99 pages
Print Icon
To Next Page IconTo Next Page
To Next Page IconTo Next Page
To Previous Page IconTo Previous Page
To Previous Page IconTo Previous Page
Loading...
37
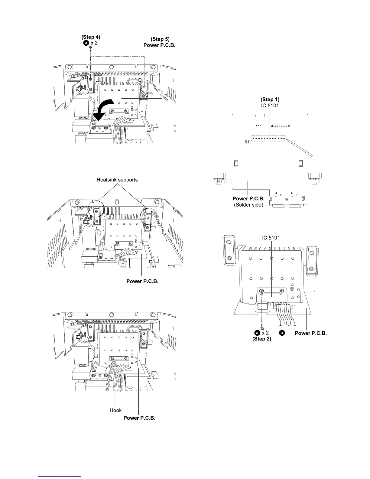
Step 4 : Remove 2 screws.
Step 5 : Remove Power P.C.B. as arrow shown.
Caution 1 : Ensure the heatsink supports are seat properly.
Caution 2 : Ensure the 4P wire is properly dressed into the
hook of Power P.C.B. and prevent touching the heatsink
unit.
10.15. Replacement of Power Amp IC
(IC5101)
Follow the (Step 1) - (Step 9) of item 10.3.
Follow the (Step 1) - (Step 6) of item 10.7.
Follow the (Step 1) - (Step 5) of item 10.14.
Caution : Handle the heatsink unit P.C.B. with caution due
to its high temperature after prolonged use. Touching it
may lead to injuries.
Step 1 : Desolder pins of Power Amp IC (IC5101).
Step 2 : Remove 2 screws.

Table of Contents

Related product manuals