EasyManua.ls Logo

Panasonic SA-PM38DBEB - Checking and Repairing CD Servo PCB

Panasonic SA-PM38DBEB
99 pages
Print Icon
To Next Page IconTo Next Page
To Next Page IconTo Next Page
To Previous Page IconTo Previous Page
To Previous Page IconTo Previous Page
Loading...
53
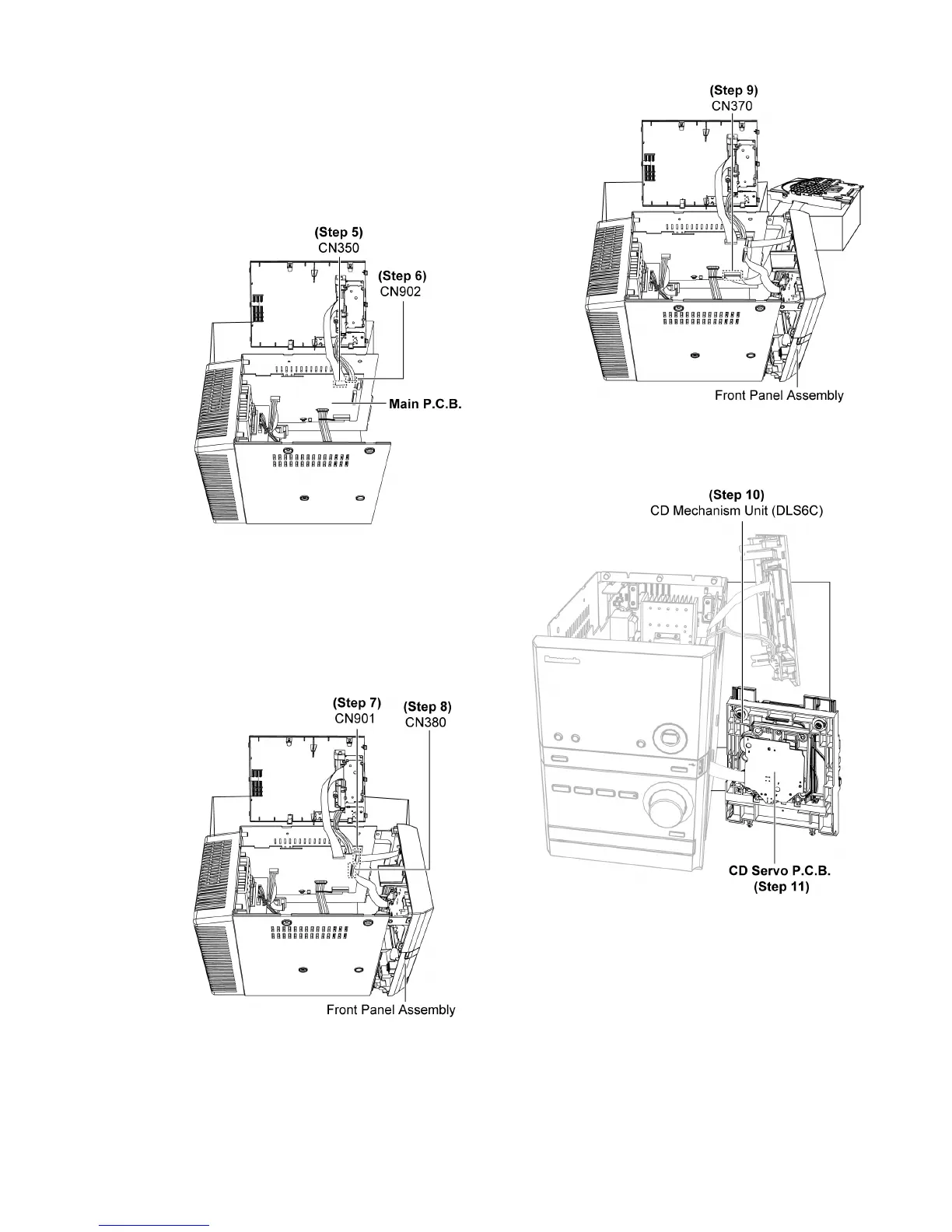
12.4. Checking & Repairing CD
Servo P.C.B.
Note : Insert CD before Checking CD Servo P.C.B.
Step 1 : Remove Top Cabinet Assembly.
Step 2 : Remove Front Panel Assembly.
Step 3 : Remove CD Mechanism Unit (DLS6C).
Step 4 : Place a support block underneath the Top Cabinet
Assembly.
Step 5 : Connect 14P FFC at connector (CN350) on Main
P.C .B. .
Step 6 : Connect 5P cable at connector (CN902) on Main
P.C .B. .
Step 7 : Connect 11P FFC at connector (CN901) on Main
P.C .B. .
Step 8 : Connect 22P FFC at connector (CN380) on Main
P.C .B. .
Step 9 : Connect 22P FFC at connector (CN370) on Main
P. C .B . .
Step 10 : Upset CD Mechanism Unit (DLS6C).
Step 11 : Check & repair CD Servo P.C.B. according to the dia-
gram shown.

Table of Contents

Related product manuals