EasyManua.ls Logo

Panasonic SA-PM38DBEB - Traverse Unit Assembling Procedure

Panasonic SA-PM38DBEB
99 pages
Print Icon
To Next Page IconTo Next Page
To Next Page IconTo Next Page
To Previous Page IconTo Previous Page
To Previous Page IconTo Previous Page
Loading...
47
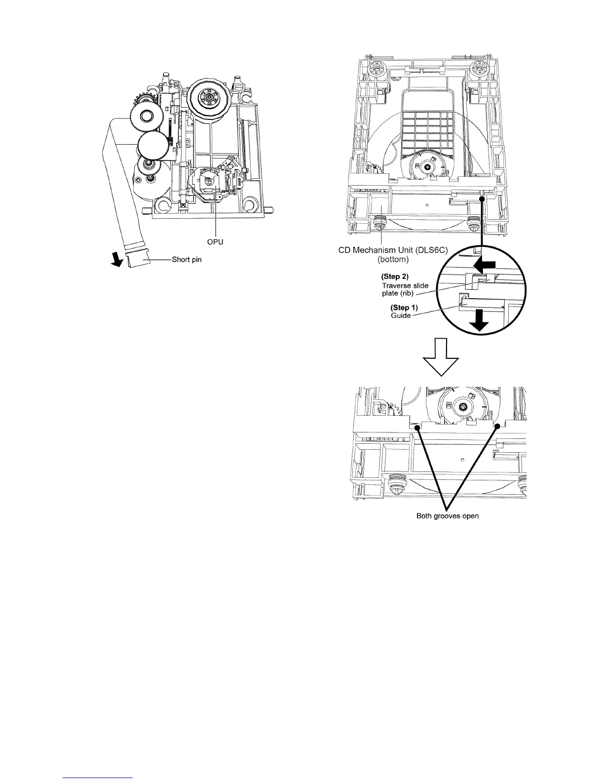
11.2. Assembling Procedure
Caution : Removal of the short pin is necessary for
replacement of new traverse unit.
Step 1 : Release the guide.
Step 2 : Push the traverse slide plate (rib), ensure both grooves
are opened.

Table of Contents

Related product manuals