EasyManua.ls Logo

Profichip VPC3+S - Lqfp48

Default Icon
132 pages
Print Icon
To Next Page IconTo Next Page
To Next Page IconTo Next Page
To Previous Page IconTo Previous Page
To Previous Page IconTo Previous Page
Loading...
10 Operational Specifications
128
Revision 1.04
VPC3+S User Manual
Copyright © profichip GmbH, 2012
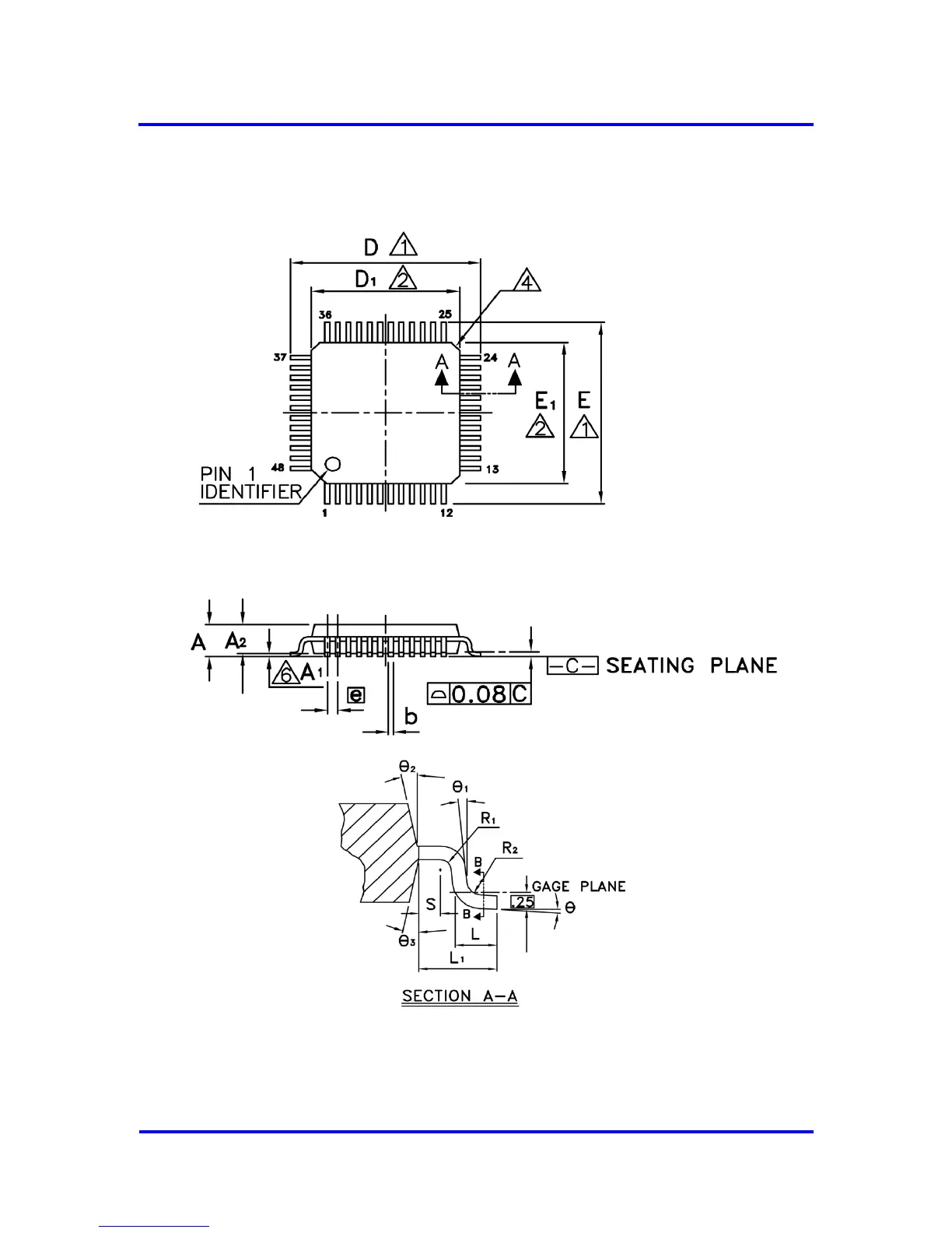
10.7.2 LQFP48
Figure 10-27: LQFP48 Package Drawing

Table of Contents

Other manuals for Profichip VPC3+S