EasyManua.ls Logo

Raymarine hsb2 - Page 217

Raymarine hsb2
231 pages
Print Icon
To Next Page IconTo Next Page
To Next Page IconTo Next Page
To Previous Page IconTo Previous Page
To Previous Page IconTo Previous Page
Loading...
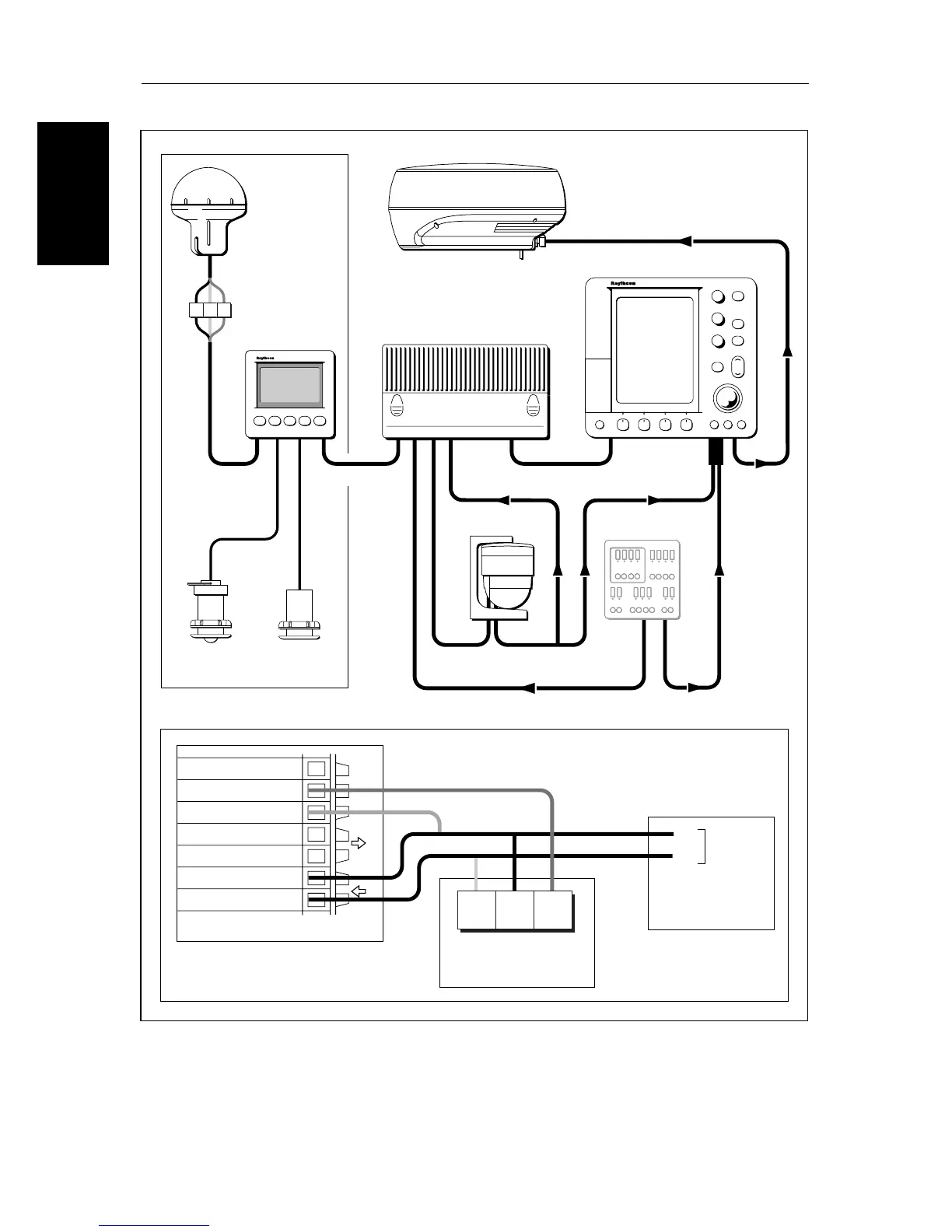
E-2 HSB Series Color LCD Display
Appendix E:
Connecting A
Raytheon ST80
if
+
SeaTalk
SeaTalk
Power
(SeaTalk)
NMEA
12/24V Supply 12/24V Supply
Compass Power/NMEA Data Connections
SeaTalk
GPS
Course Computer
Course Computer
Distribution Panel
D4123-2
Scanner
SeaTalk
Typical SeaTalk System
SeaTalk, Yellow
SeaTalk, Red
SeaTalk, Grey (screen)
NMEA IN, negative (---)
NMEA IN, positive (+)
Yellow Black
(screen)
Red
NMEA IN
Active Compass
ST80 Active Compass
Radar Display
(Power and NMEA
Input Connector)
NMEA
+
+
10.4" LCD / 10" CRT Display
DISPLAY
RANGE
MARKS
VRM/EBL
ALARMS
GAIN
SEA
MULTI
MOB
ENTER CLEAR MENU
POWER

Table of Contents

Other manuals for Raymarine hsb2

Related product manuals