EasyManua.ls Logo

Record DFA127 - Page 101

Record DFA127
103 pages
Print Icon
To Next Page IconTo Next Page
To Next Page IconTo Next Page
To Previous Page IconTo Previous Page
To Previous Page IconTo Previous Page
Loading...
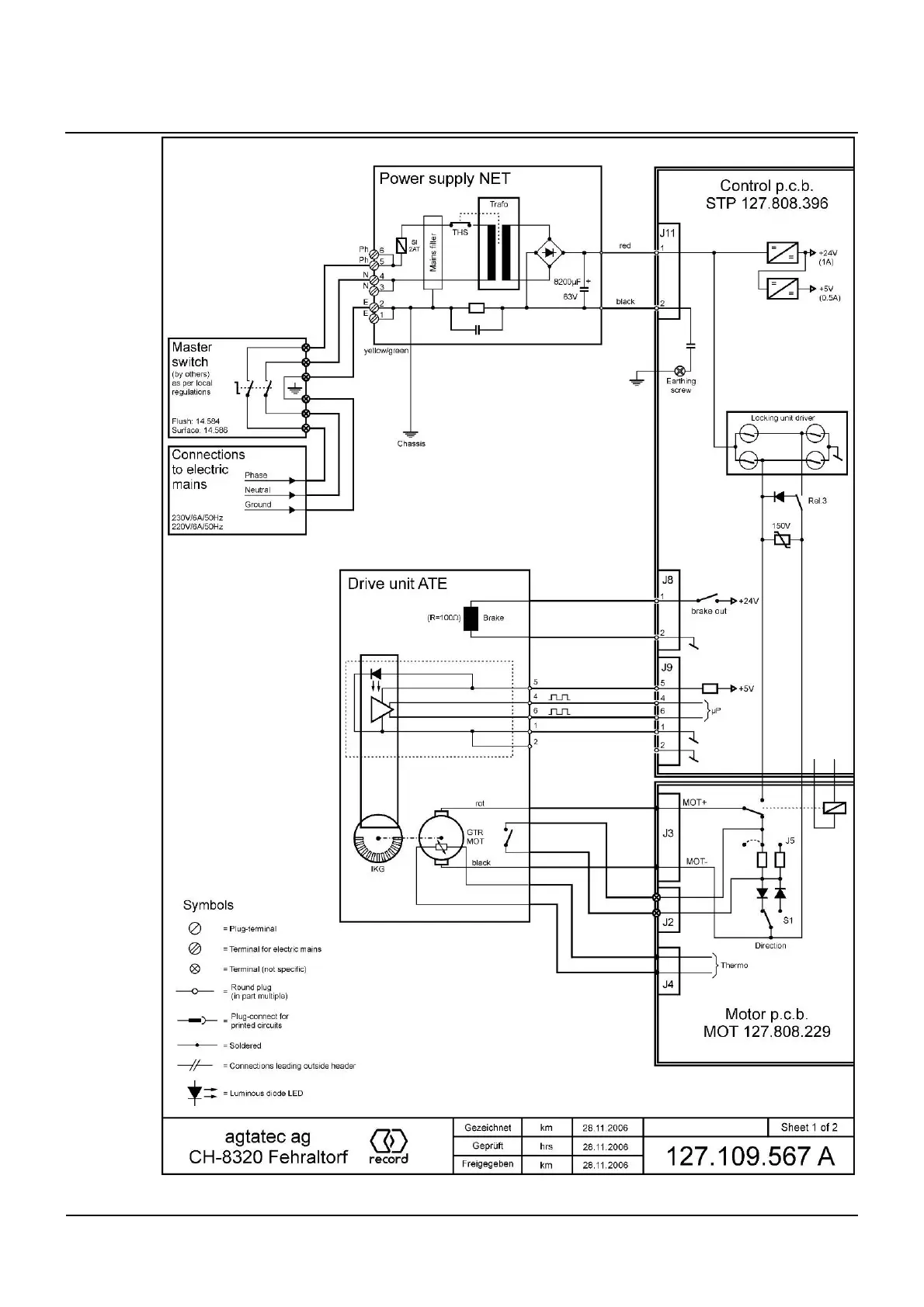
Drawings
25
102-127108955 V1.1 101/ 102

Table of Contents

Related product manuals