EasyManua.ls Logo

Renesas R8C/20 - Appendix 3. Example of Oscillation Evaluation Circuit

Renesas R8C/20
501 pages
To Next Page IconTo Next Page
To Next Page IconTo Next Page
To Previous Page IconTo Previous Page
To Previous Page IconTo Previous Page
Loading...
R8C/20 Group, R8C/21 Group Appendix 3. Example of Oscillation Evaluation Circuit
Rev.2.00 Aug 27, 2008 Page 456 of 458
REJ09B0250-0200
Appendix 3. Example of Oscillation Evaluation Circuit
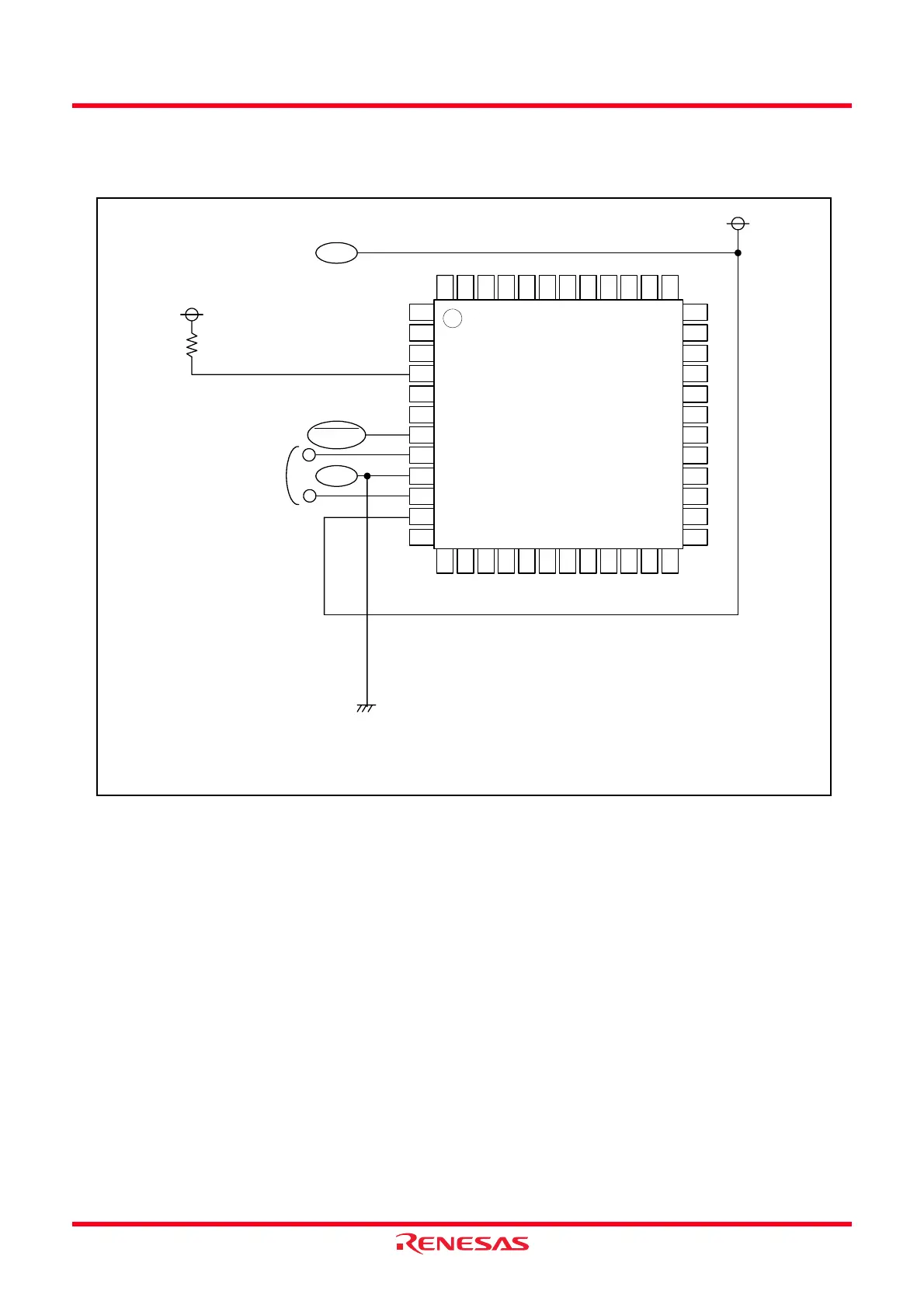
Appendix Figure 3.1 shows the Example of Oscillation Evaluation Circuit.
Appendix Figure 3.1 Example of Oscillation Evaluation Circuit
VSS
Connect
oscillation
circuit
VCC
RESET
48
R8C/20 Group,
R8C/21 Group
47
46
45
44
43
42
41
40
39
38
37
13
14
15
16
17
18
19
20
21
22
23
24
12
11
10
9
8
7
6
5
4
3
2
1
25
26
27
28
29
30
31
32
33
34
35
36
NOTE:
1. After reset, the XIN clock stops. Write a program to oscillate the
XIN clock.

Table of Contents

Related product manuals