EasyManua.ls Logo

Samson TROVIS 5575 - Page 35

Samson TROVIS 5575
138 pages
Print Icon
To Next Page IconTo Next Page
To Next Page IconTo Next Page
To Previous Page IconTo Previous Page
To Previous Page IconTo Previous Page
Loading...
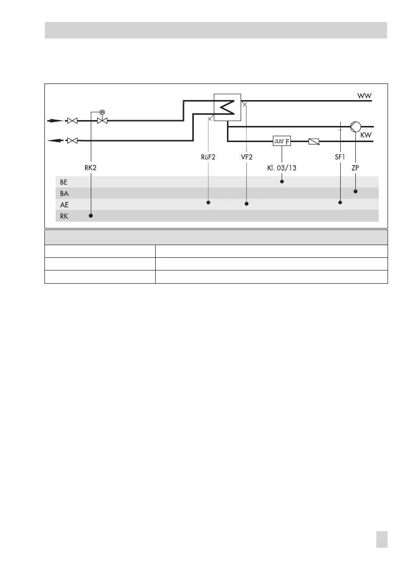
System Anl 1.9 (all versions of TROVIS 5575-00xx)
Default setting
CO4 -> F01 - 0 (without SF1)
CO4 -> F03 - 0 (without RüF2)
CO4 -> F04 - 0 (without water flowmeter connected to terminals 03/13)
EB 5575 EN 35
Systems

Table of Contents

Related product manuals