EasyManua.ls Logo

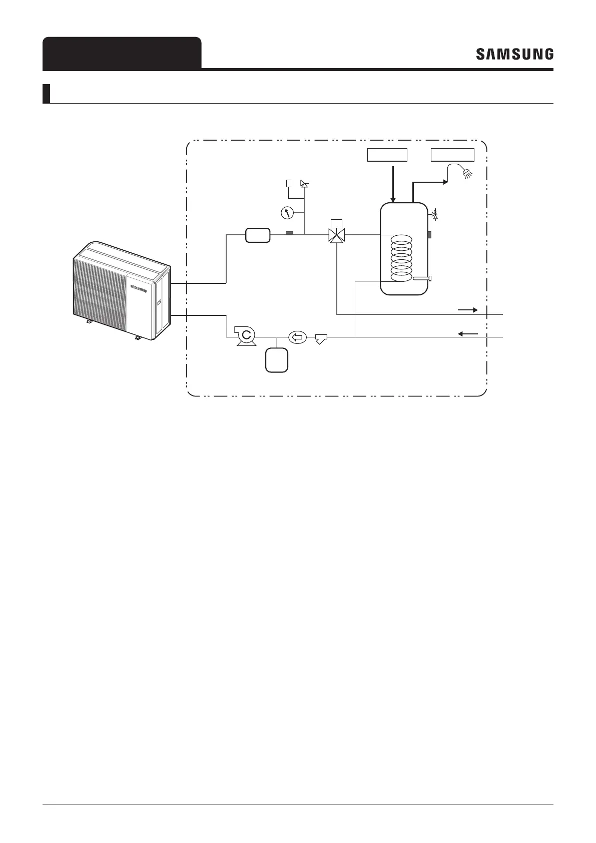
Samsung EHS AE080BXYDEG/EU - Water Primary Circuit Diagram

Samsung EHS AE080BXYDEG/EU
212 pages
Print Icon
To Next Page IconTo Next Page
To Next Page IconTo Next Page
To Previous Page IconTo Previous Page
To Previous Page IconTo Previous Page
Loading...
12. Technical data
Installer reference guide / Mono tank integrated type 206
Water primary circuit diagram
3
Flow
sensor
Expansion
Vessel(8L)
PWM
Pump
Backup
heater
Manometer
Air
purge
Pressure
Relief v/v
3-Way V/V
Water in
Water in
Water out
Water out
Temperature&
pressure relief valve
T_tank
T_w3
Booster
heater
b

Table of Contents

Related product manuals