EasyManua.ls Logo

SCHUNK WSG 50 - Digital Inputs;Outputs

SCHUNK WSG 50
76 pages
Print Icon
To Next Page IconTo Next Page
To Next Page IconTo Next Page
To Previous Page IconTo Previous Page
To Previous Page IconTo Previous Page
Loading...
Technical data
28
04.00 | WSG 50 | Assembly and operating manual | en | 389474
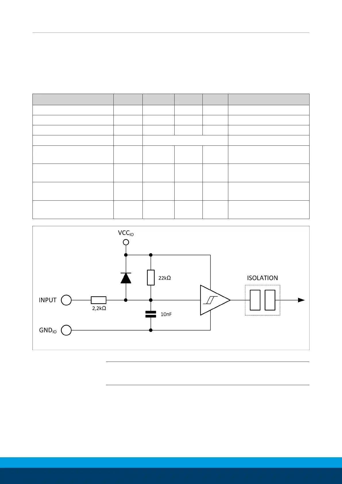
3.4.9 Digital inputs/outputs
The product has two electrically isolated inputs and two outputs
on the integrated terminal strip. The equivalent circuits for the
input and output stages are shown in the following figures.
Interface specification:
Parameter Unit Min. Typ. Max. Remark
Insulation voltage V
peak
560 VDE 0884, Rev. 2
High input voltage V 3.4 24 28 relative to GND
IO
Low input voltage V -0.5 0 1.1 relative to GND
IO
Output type Open drain
External voltage on the
output
V 30 relative to GND
IO
Increase in voltage on the
output
V 0.032 0.1 0.3 Output current = 20mA
Increase in voltage on the
output
V 0.16 0.5 1.5 Output current = 100mA
permissible output
current
mA 100
Equivalent circuit of the input stage
NOTE
VCC
10
(5V) is a intern generated, isolated supply voltage.

Table of Contents

Related product manuals