Übersicht • 13
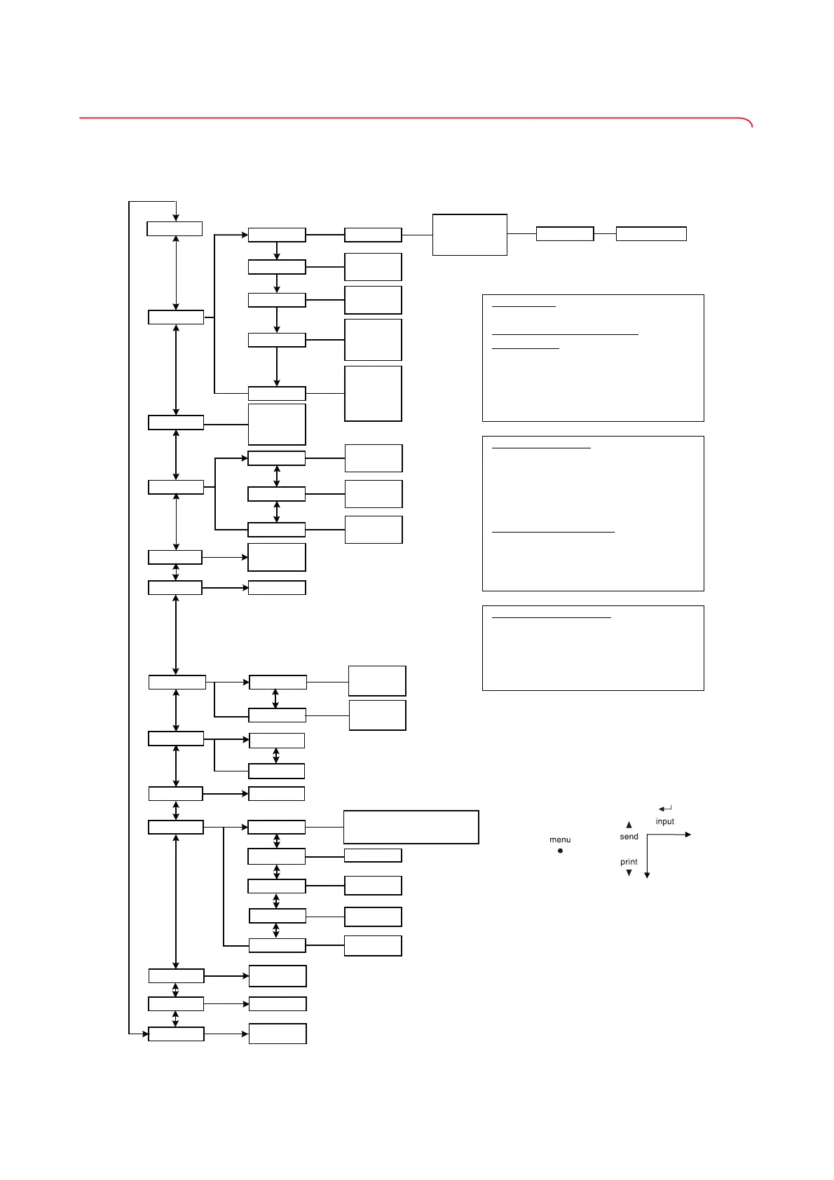
3.4 Menü-Struktur Multifunktionsdisplay
Im Menü des Gerätes stehen Ihnen weitere Funktionen zur Verfügung. So
können Sie das Gerät optimal für Ihre Nutzungsbedingungen konfigurieren
(Details ab Seite 34 und ab Seite 41).
rF
Reset
Autosend
Sytem
Autoprint
Time
BMI
BFR
Duration
Brightness
Net Weight
Zero Height
• On
• Off
Press
Hold
Measure
• 0
• 1
• 2
Filter
Beep
LCD
Pre-Tara
Zero
Autohold
Body
• On
• Off
• On
• Off
• On
• Off
• 50 %
• 100 %
• Off
• Short
• Long
• Permanent
• Year
• Month
• Day
• Hour
• Minute
• HI
• MA
• HI_MA
• Off
• On
• Off
• On
• Off
Learn Group (ID)
Stop Reg. Devices (mo)
• Channel 1 (C1)
• Channel 2 (C2)
• Channel 3 (C3)
**
***
*
Erkannte Geräte (Mo):
- 1: Personenwaage
- 2: Längenmessstab
- 3: Funkdrucker
- 4: PC mit USB-Funkmodul
- 7: Säuglingswaage
Group (ID):
Max. drei seca Funkgruppen: 0, 1, 2
Maximal-Konfiguration pro Funkgruppe:
- 1 Säuglingswaage
- 1 Personenwaage
- 1 Längenmessstab
- 1 Funkdrucker
- 1 PC mit USB-Funkmodul
Kanal (C1, C2, C3):
- 3 Kanäle pro Funkgruppe (insg. 9 Kanäle)
- Kanalzahlen: 0-99
- Jede Kanalzahl nur einmal verwenden
- Empfohlener Abstand: 30
Beispiel-Konfiguration:
- Gruppe 0: C1 0, C2 30, C3 60
- Gruppe 1: C1 10, C2 40, C3 70
- Gruppe 2: C1 20, C2 50, C3 80
(Hinweis: Im Display keine Leerzeichen)
*Funknetzwerk seca 360° wireless:
** Nur für Gewichtsmessung
*** Für Gewichts- und Längenmessung
• Off
Ultra
• On
• Off
Language
Volume
Print
Autoclear
Voice Output
1...100
• On
• Off
•
PT• DE
• EN (US/GB)
• ES (ES/ME)
• FR
• ZH
• TH
• ID
•
KO
• RU
CAL Auto
Results
• On
• Off
Instructions
On
•
•
Off
*Funknetzwerk seca 360° wireless:
Gruppe (ID):
Max. drei seca Funkgruppen: 0, 1, 2
Maximal-Konfiguration pro
Funkgruppe:
- 1 Säuglingswaage
- 1 Personenwaage
- 1 Längenmessstab
- 1 Funkdrucker
- 1 PC mit USB-Funkadapter
Kanal (C1, C2, C3):
- Drei Kanäle pro Funkgruppe (insg. 9
Kanäle)
- Kanalzahlen: 0 - 99
- Jede Kanalzahl nur einmal verwenden
- Empfohlener Abstand: 30
Beispiel-Konfiguration:
- Gruppe 0: C1 0, C2 30, C3 60
- Gruppe 1: C1 10, C2 40, C3 70
- Gruppe 2: C1 20, C2 50, C3 80
(Hinweis: im Display keine Leerzeichen)
Erkannte Geräte (MO):
- 1: Personenwaage
- 2: Längenmessstab
- 3: Funkdrucker
- 4: PC mit USB-Funkadapter
- 7: Säuglingswaage
Navigation:
Menü aufrufen:
** Nur für Gewichtsmessung
*** Für Gewichts- und Längenmessung