268 •
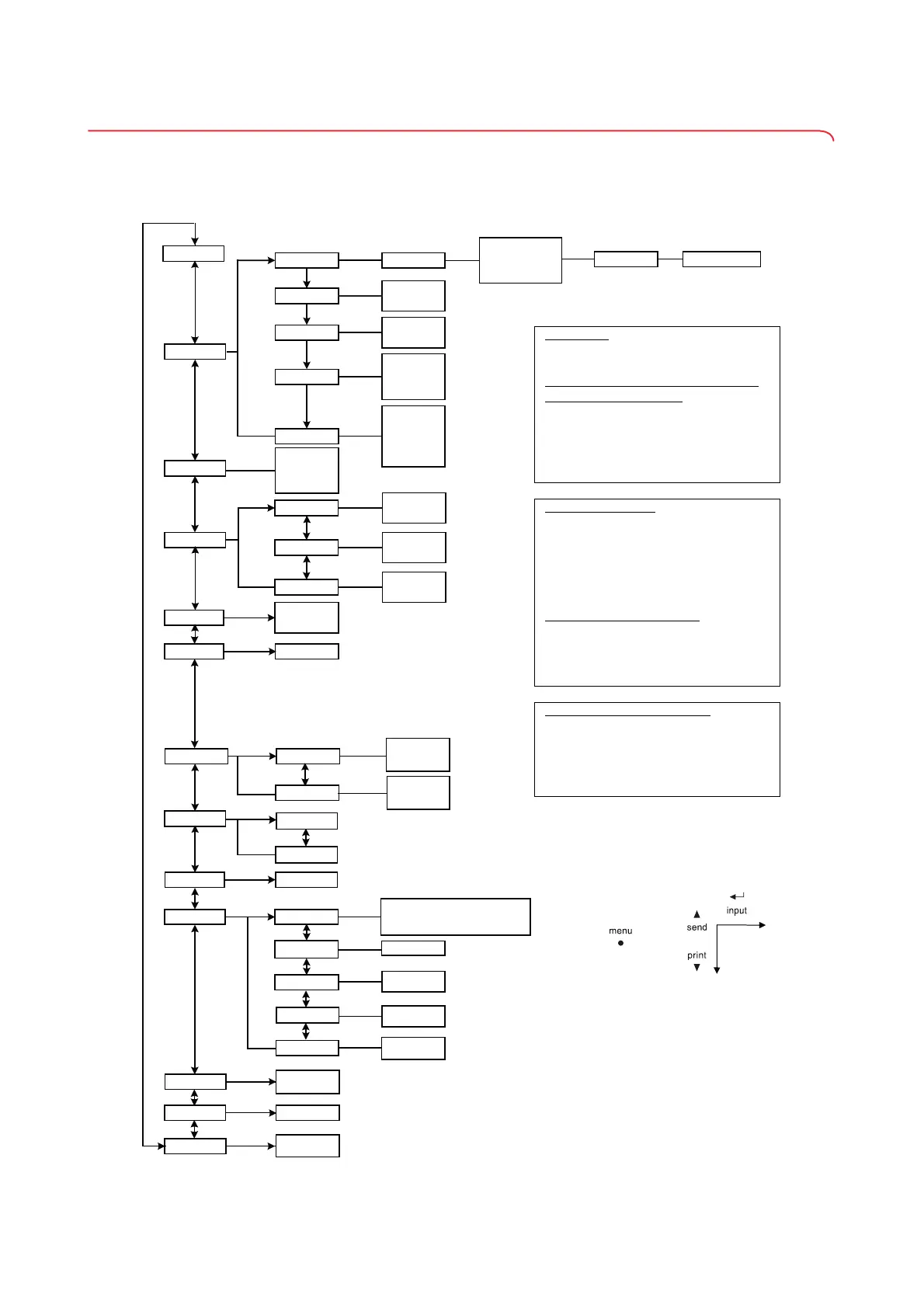
3.4 Estrutura do menu do mostrador multifunções
No menu do aparelho estão disponíveis outras funções. Assim, você pode
configurar o aparelho na forma ideal para suas condições de utilização
(detalhes a partir da página 289 e da página 296).
rF
Reset
Autosend
Sytem
Autoprint
Time
BMI
BFR
Duration
Brightness
Net Weight
Zero Height
• On
• Off
Press
Hold
Measure
• 0
• 1
• 2
Filter
Beep
LCD
Pre-Tara
Zero
Autohold
Body
• On
• Off
• On
• Off
• On
• Off
• 50 %
• 100 %
• Off
• Short
• Long
• Permanent
• Year
• Month
• Day
• Hour
• Minute
• HI
• MA
• HI_MA
• Off
• On
• Off
• On
• Off
Learn Group (ID)
Stop Reg. Devices (mo)
• Channel 1 (C1)
• Channel 2 (C2)
• Channel 3 (C3)
**
***
*
Erkannte Geräte (Mo):
- 1: Personenwaage
- 2: Längenmessstab
- 3: Funkdrucker
- 4: PC mit USB-Funkmodul
- 7: Säuglingswaage
Group (ID):
Max. drei seca Funkgruppen: 0, 1, 2
Maximal-Konfiguration pro Funkgruppe:
- 1 Säuglingswaage
- 1 Personenwaage
- 1 Längenmessstab
- 1 Funkdrucker
- 1 PC mit USB-Funkmodul
Kanal (C1, C2, C3):
- 3 Kanäle pro Funkgruppe (insg. 9 Kanäle)
- Kanalzahlen: 0-99
- Jede Kanalzahl nur einmal verwenden
- Empfohlener Abstand: 30
Beispiel-Konfiguration:
- Gruppe 0: C1 0, C2 30, C3 60
- Gruppe 1: C1 10, C2 40, C3 70
- Gruppe 2: C1 20, C2 50, C3 80
(Hinweis: Im Display keine Leerzeichen)
*Funknetzwerk seca 360° wireless:
** Nur für Gewichtsmessung
*** Für Gewichts- und Längenmessung
• Off
Ultra
• On
• Off
Language
Volume
Print
Autoclear
Voice Output
1...100
• On
• Off
•
PT• DE
• EN (US/GB)
• ES (ES/ME)
• FR
• ZH
• TH
• ID
•
KO
• RU
CAL Auto
Results
• On
• Off
Instructions
On
•
•
Off
*Rede sem fio seca 360° wireless:
Grupo (ID):
Máx. três grupos de comunicação via rádio
seca: 0, 1, 2
Configuração máxima por grupo de
comunicação via rádio:
- 1 balança para lactentes
- 1 balança para adultos
- 1 escala de medição da altura
- 1 impressora sem fio
- 1 PC com adaptador de rádio USB
Canal (C1, C2, C3):
- Três canais por grupo de comunicação
via rádio (no total 9 canais)
- Números dos canais: 0 - 99
- Utilizar cada número de canal apenas
uma vez
- Distância recomendada: 30
Exemplo de configuração:
- Grupo 0: C1 0, C2 30, C3 60
- Grupo 1: C1 10, C2 40, C3 70
- Grupo 2: C1 20, C2 50, C3 80
(aviso: sem espaços vazios no mostrador)
Aparelhos detectados (MO):
- 1: Balança para adultos
- 2: Escala de medição da altura
- 3: Impressora sem fio
- 4: PC com adaptador de rádio USB
- 7: Balança para lactentes
Navegação:
Acessar o menu:
** Somente para medição do peso
*** Para medição do peso e da altura