164 •
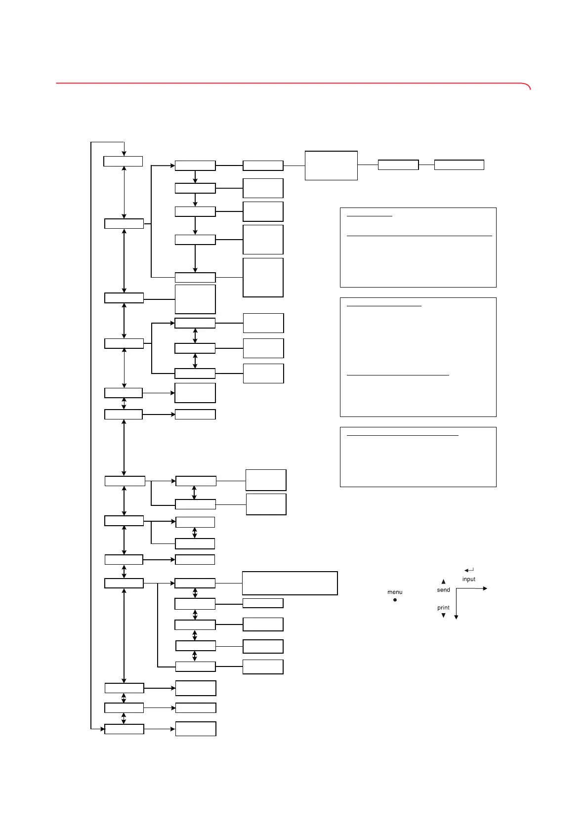
3.4 Struttura del menu display multifunzionale
Nel menu dell’apparecchio sono disponibili altre funzioni. Queste consentono
di configurare l’apparecchio in modo ottimale per le condizioni di utilizzo (det-
tagli da pagina 186 e da pagina 193).
rF
Reset
Autosend
Sytem
Autoprint
Time
BMI
BFR
Duration
Brightness
Net Weight
Zero Height
• On
• Off
Press
Hold
Measure
• 0
• 1
• 2
Filter
Beep
LCD
Pre-Tara
Zero
Autohold
Body
• On
• Off
• On
• Off
• On
• Off
• 50 %
• 100 %
• Off
• Short
• Long
• Permanent
• Year
• Month
• Day
• Hour
• Minute
• HI
• MA
• HI_MA
• Off
• On
• Off
• On
• Off
Learn Group (ID)
Stop Reg. Devices (mo)
• Channel 1 (C1)
• Channel 2 (C2)
• Channel 3 (C3)
**
***
*
Erkannte Geräte (Mo):
- 1: Personenwaage
- 2: Längenmessstab
- 3: Funkdrucker
- 4: PC mit USB-Funkmodul
- 7: Säuglingswaage
Group (ID):
Max. drei seca Funkgruppen: 0, 1, 2
Maximal-Konfiguration pro Funkgruppe:
- 1 Säuglingswaage
- 1 Personenwaage
- 1 Längenmessstab
- 1 Funkdrucker
- 1 PC mit USB-Funkmodul
Kanal (C1, C2, C3):
- 3 Kanäle pro Funkgruppe (insg. 9 Kanäle)
- Kanalzahlen: 0-99
- Jede Kanalzahl nur einmal verwenden
- Empfohlener Abstand: 30
Beispiel-Konfiguration:
- Gruppe 0: C1 0, C2 30, C3 60
- Gruppe 1: C1 10, C2 40, C3 70
- Gruppe 2: C1 20, C2 50, C3 80
(Hinweis: Im Display keine Leerzeichen)
*Funknetzwerk seca 360° wireless:
** Nur für Gewichtsmessung
*** Für Gewichts- und Längenmessung
• Off
Ultra
• On
• Off
Language
Volume
Print
Autoclear
Voice Output
1...100
• On
• Off
•
PT• DE
• EN (US/GB)
• ES (ES/ME)
• FR
• ZH
• TH
• ID
•
KO
• RU
CAL Auto
Results
• On
• Off
Instructions
On
•
•
Off
*Rete radio seca 360° wireless:
Gruppo (ID):
Max. tre gruppi radio seca: 0, 1, 2
Configurazione max. per gruppo radio:
- 1 pesaneonati
- 1 pesapersone
-1 altimetro
- 1 stampante radio
- 1 PC con adattatore radio USB
Canale (C1, C2, C3):
- Tre canali per gruppo radio (in tot. 9
canali)
- Numeri canale: 0 - 99
- Utilizzare ogni numero canale una sola
volta
- Distanza consigliata: 30
Esempio di configurazione:
- Gruppo 0: C1 0, C2 30, C3 60
- Gruppo 1: C1 10, C2 40, C3 70
- Gruppo 2: C1 20, C2 50, C3 80
(Indicazione: nessuno spazio sul display)
Apparecchi riconosciuti (MO):
- 1: Pesapersone
- 2: Altimetro
- 3: Stampante radio
- 4: PC con adattatore radio USB
- 7: Pesaneonati
Navigazione:
Apertura del menu:
** Solo per la misurazione del peso
*** Per la misurazione del peso e della statura