EasyManua.ls Logo

Siemens SICAM AK 3 - Block Diagram; Connector to Carrier Module

Siemens SICAM AK 3
260 pages
To Next Page IconTo Next Page
To Next Page IconTo Next Page
To Previous Page IconTo Previous Page
To Previous Page IconTo Previous Page
Loading...
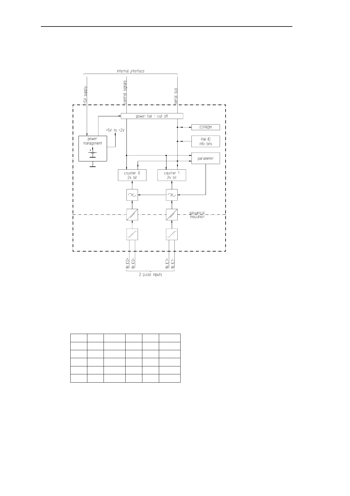
System Components
156 SICAM RTUs, SICAM AK 3 User Manual
Edition 07.2016, DC2-028-2.03
2.7.5.1 Block Diagram
2.7.5.2 Connector to Carrier Module
The pin assignment of the connector is described as follows:
Pin Alias Signal Pin Alias Signal
1 I/O 0 IN IC0+ 2 I/O 1 IN IC0-
3 I/O 2 4 I/O 3
5 6
7 I/O 4 IN IC1+ 8 I/O 5 IN IC1-
9 I/O 6 10 I/O 7
The abbreviations have the following meaning:
IN IC0+, IN IC0- = pulse input 0 (counter input)
IN IC1+, IN IC1- = pulse input 1 (counter input or control input)

Table of Contents

Related product manuals