EasyManua.ls Logo

Siemens SIPROTEC 7UT613 series - Setting Notes

Siemens SIPROTEC 7UT613 series
638 pages
Print Icon
To Next Page IconTo Next Page
To Next Page IconTo Next Page
To Previous Page IconTo Previous Page
To Previous Page IconTo Previous Page
Loading...
2 Functions
246
7UT613/63x Manual
C53000-G1176-C160-2
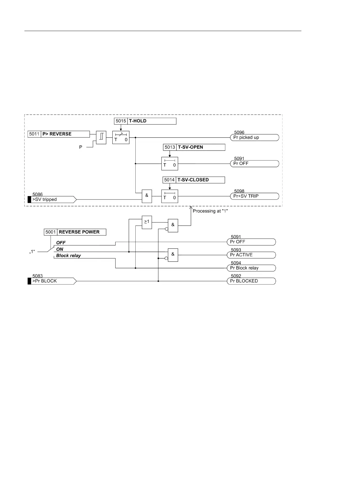
turbine emergency tripping a short delay T-SV-CLOSED is, however, sufficient. The
state of the emergency tripping valve must then be given to the device via a binary
input "RLS Fast". The delay time T-SV-OPEN is still effective as back-up stage.
In other applications only the delay T-SV-OPEN is generally needed, as they act inde-
pendently to the mentioned binary input. Of course you can also use the two-stage
protection as needed, in order to - dependent on an external criteria - achieve two dif-
ferent trip delays.
Figure 2-102 Logic diagram of reverse power protection
2.12.2 Setting Notes
General The application of reverse power protection is only possible in 3-phase protected ob-
jects. It can only be assigned to a side of the main protected object or another mea-
suring location. Furthermore, it is a prerequisite that the device is connected to a three-
phase voltage transformer set.
The reverse power protection is only effective and accessible if address 150 was set
to REVERSE POWER Enabledduring configuration of the protection function (section
2.1.3.
Under address 5001 REVERSE POWER the reverse power protection can be switched
ON or OFF. The option Block relay allows to operate the protection but the trip
output relay is blocked.

Table of Contents

Related product manuals