EasyManua.ls Logo

Sincro HB4 - Page 77

Sincro HB4
Print Icon
To Next Page IconTo Next Page
To Next Page IconTo Next Page
To Previous Page IconTo Previous Page
To Previous Page IconTo Previous Page
Loading...
APPENDICEAPPENDIXANNEXEANHANGAPÉNDICE
77
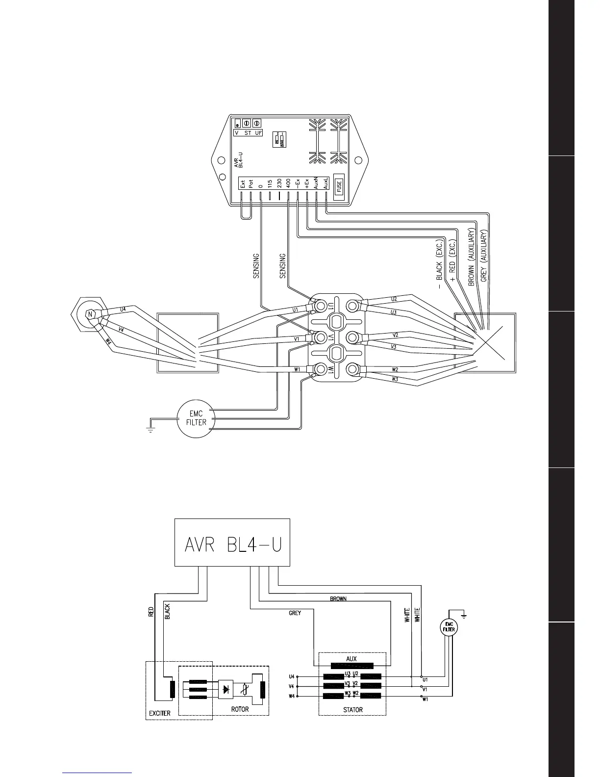
SCHEMI ELETTRICI HB-IB - WIRING DIAGRAMS HB-IB - SCHÉMA ÉLECTRIQUE HB-IB
- SCHALTPLÄNE HB-IB - ESQUEMAS ELÉCTRICOS HB-IB
12 FILI/WIRES/FILS/KABEL/CABLES
AVR BL4-U

Table of Contents

Related product manuals