EasyManua.ls Logo

SON PXW-FX9V - Handle-1

SON PXW-FX9V
129 pages
Print Icon
To Next Page IconTo Next Page
To Next Page IconTo Next Page
To Previous Page IconTo Previous Page
To Previous Page IconTo Previous Page
Loading...
109
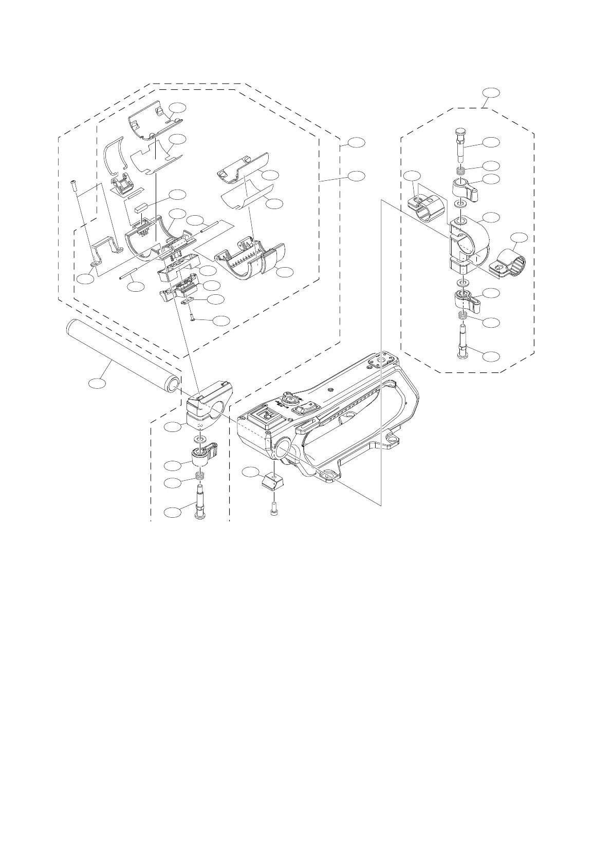
Handle-1
No. Part No. SP Description
1401 A-2182-621-B s SERVICE, CLAMP ROD ASSY
1402 A-5012-206-A s MIC HOLDER ASSY 957
1403 X-2596-733-2 s HOLDER (973) ASSY, MICROPHONE
1404 3-080-206-21 s SCREW, TAPPING, P2
1405 3-284-621-11 s CUSHION, MICROPHONE HOLDER
1406 4-547-067-01 s PIPE CLAMP (HANDLE)
1407 4-684-595-01 s ROD (956), MIC
1408 4-684-596-01 s BASE (956), MIC HOLDER
1409 4-684-597-01 s LEVER (956), CLAMP LOCK
1410 4-684-598-02 s SCREW (956), CLAMP LOCK
1411 4-684-613-01 s CLAMP (956), ROD
1412 4-684-614-02 s BUSHING (R), VF SLIDE
1413 4-684-615-03 s BUSHING (S), VF SLIDE
1414 4-691-179-01 s SPRING (956), ROD LOCK
1415 4-740-435-02 s CABINET (UPPER (973)), HOLDER
1416 4-740-436-01 s LOWER (973), HOLDER CABINET
1417 4-740-437-01 s PLATE, MICROPHONE HOLDER
1418 4-740-438-01 s BASE, MICROPHONE HOLDER
1419 4-740-439-01 s INSULATOR, MICROPHONE HOLDER
1420 4-740-440-01 s RUBBER (973), MICROPHONE
1421 4-740-445-01 s RETAINER, MICROPHONE HOLDER
1422 4-741-199-02 s SHAFT (973), MICROPHONE HOLDER
1423 4-741-423-01 s SHEET (973), RUBBER ADHESIVE
7-627-556-98 s SCREW,PRECISION +P 2.6X8 TYPE1
7-683-404-04 s BOLT,HEXAGON SOCKET 3X8
7-688-005
-02 s W 5, SMALL
P2.6 x 8
HEXAGON SOCKET
BOLT 3 x 8
W5
W5
W5
1402
1403
1420
1423
1415
1420
1423
1405
1416
1418
1419
1417
1404
1422
1422
1421
1407
1408
1406
1409
1414
1410
1410
1401
1411
1413
1409
1414
1410
1414
1409
1412

Table of Contents