EasyManua.ls Logo

Sony BRC-AM7 - Page 83

Sony BRC-AM7
471 pages
Print Icon
To Next Page IconTo Next Page
To Next Page IconTo Next Page
To Previous Page IconTo Previous Page
To Previous Page IconTo Previous Page
Loading...
Help Guide
Color Video Camera
BRC-AM7
Connecting the Unit to a Network Device Via Wired Connection
This topic describes connecting the unit to a network device via a wired connection.
Connecting to a network without a DHCP server
The unit is configured by factory default to obtain an IP address automatically from a DHCP server.
In general, commercially available Wi-Fi routers are equipped with a DHCP server function. However, if connecting to a
network that does not have a DHCP server, set a fixed IP address using the following procedure.
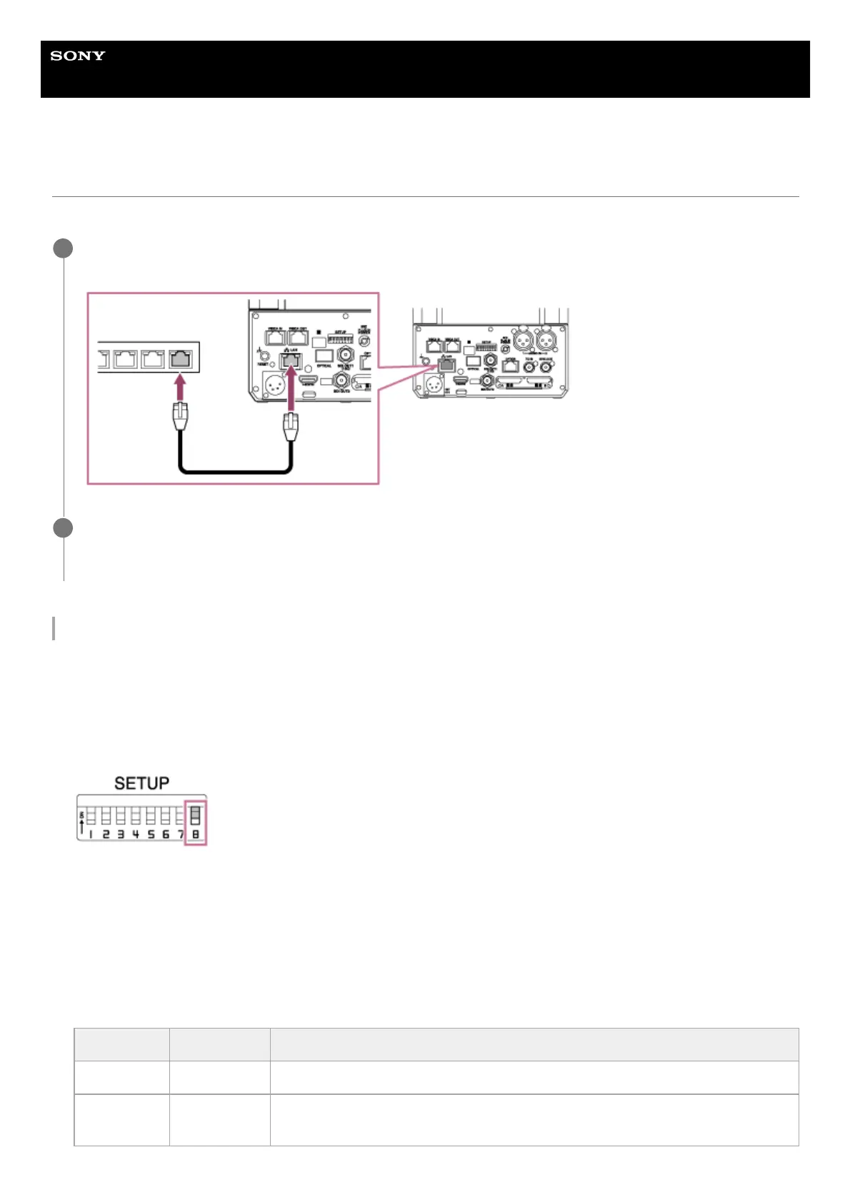
Connect the unit to a network device (such as a Wi-Fi access point or switching hub) using a Category 5e or
higher LAN cable.
1
Access the Web App and configure the initial settings of the unit.
For details, see “Accessing the Web App from a Web Browser” and “Initializing the Unit.”
2
Remove the power supply from the unit.1.
Set SETUP switch 8 to the ON position on the connector block (fixed IP address mode).
2.
Connect the power supply to the unit.
The IP address of the unit will be set to 192.168.0.100, regardless of the IP address setting in the web menu.
3.
Set the IP address of the setup computer to a unique address on the same network, such as 192.168.0.200.4.
Connect the setup computer and unit directly using a LAN cable.5.
On the setup computer, enter “192.168.0.100” in the address bar of a web browser
The Web App of the unit is displayed. You will be prompted to enter the user name and password. Configure settings as
described in “Initializing the Unit.”
6.
Configure the following in [Network] – [Wired LAN] – [IPv4] in the web menu and press the [OK] button.
The settings are examples only. Change the settings according to the network to connect.
7.
Item Setting Remarks
[DHCP] [Off]
[IP Address] 192.168.0.101
The last segment should be a number that is unique among other devices connected
to the same network.
83

Table of Contents

Related product manuals