EasyManua.ls Logo

Sony HCD-CL5MD - Schematic & Block Diagrams

Sony HCD-CL5MD
112 pages
Print Icon
To Next Page IconTo Next Page
To Next Page IconTo Next Page
To Previous Page IconTo Previous Page
To Previous Page IconTo Previous Page
Loading...
4747
HCD-CL5MD
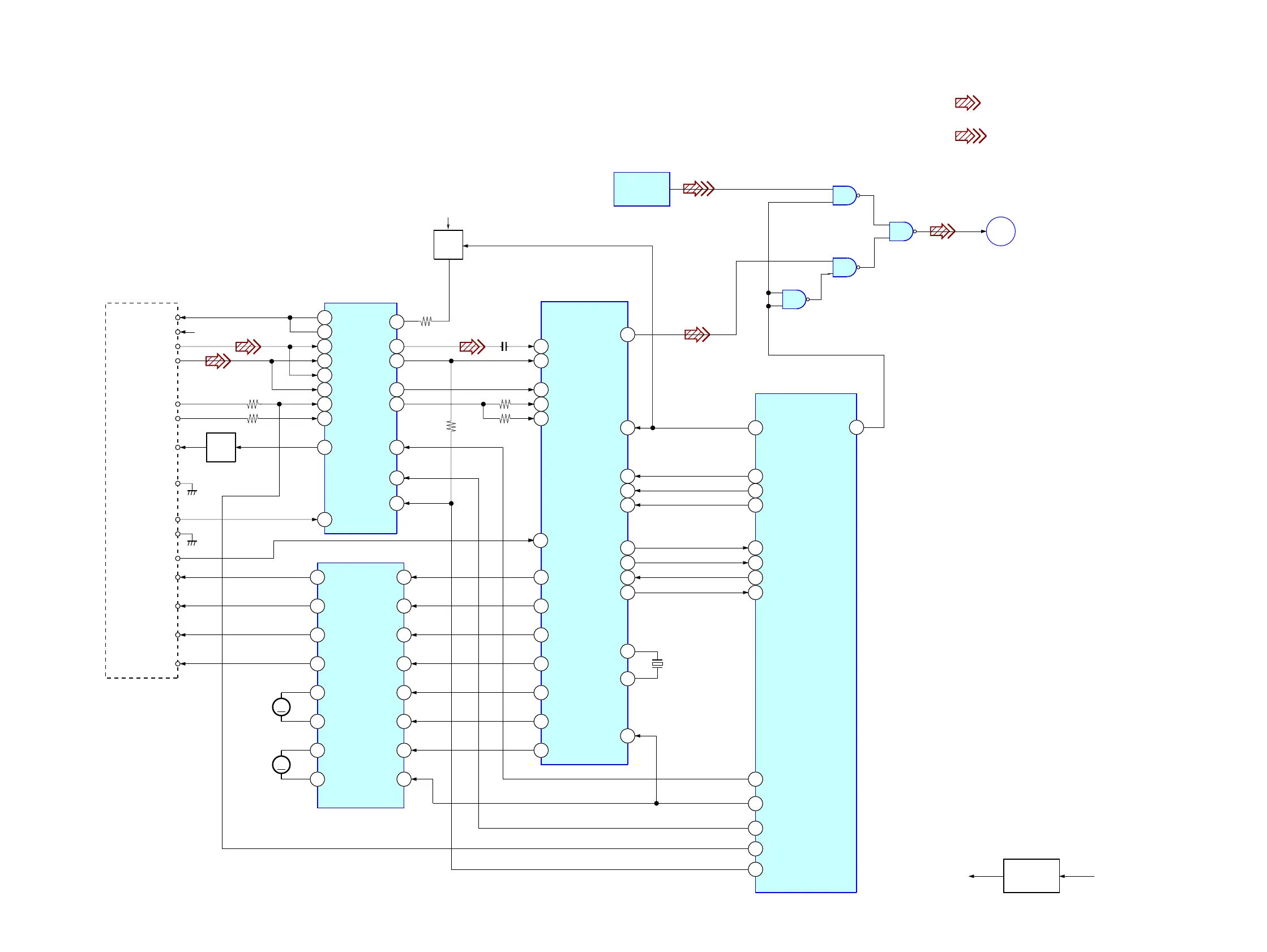
7-2. BLOCK DIAGRAMS
CD SECTION
• Signal Path
: CD (DIGITAL)
:DIGITAL IN (OPTICAL)
OPTICAL PICK-UP
BLOCK
(A-MAX.3)
PD1
PD2
I5-10
I1-6
LD
VC
SW
VCC
+5V
GND
PD
VR
LD
DRIVE
Q101
RF AMP
DIGITAL
IN
(OPTICAL)
IC103
VC
27
VFC
25
A
6
B
7
C
8
D
9
E
10
F
11
LD
1
PD
2
IC102
MOTOR/COIL DRIVE
VO1(-)
52
VO1(+)
47
56
55
1
2
M
M102
SLED
MOTOR
5
10
M
M101
SPINDLE
MOTOR
F+
F-
T+
T-
35
IN1+
34
IN1-
32
31
27
26
24 MDP
25
SRDR
30
SFDR
29
TRDR
32
TFDR
31
FRDR
34
FFDR
33
DIGITAL SIGNAL PROC.
IC101
DIGITAL SERVO
64
D OUT
RFAC
50
28
RFDC
15
26
RFAC
16FE
18TE
12
SW
17
FEI
29
RFDCI
RFDC
43
FE
39
TE
41
SE
40
4
DATA
DATA
6
CLOK
CLK
5
XLAT
XLT
76
SQSO
SQSO
7
SENS
SENS
26 SSTP
2
XRST
8
STBY
69
XTSL
MASTER CONTROL
IC401(1/3)
56
OPT SEL
CD-DATA
35
8
SCLK
SCLK
15
SCOR
SCOR
71
XTAI
72
XTAO
CD-CLK
37
XLT
42
SQ-DATA-IN
32
SENS
36
SQ-CLK
33
SCOR
19
XTSL
CTRL1(1-2)
34
LDON
LDON
41
XRST
XRST
43
BU PWM 1
PWM1
28
BU PWM 2
PWM2
26
BU PWM 3
PWM3
24
VO2(-)
VO2(+)
VO3(+)
VO3(-)
VO4(+)
VO4(-)
IN2+
IN2-
IN3+
IN3-
IN4R
A
MD
SECTION
RFC
SW
Q102
IC551
+3.3V
REG.
Q103,D101
IC503
SELECTOR
1
2
3
4
5
6
9
8
10
11
12
13
X201
33.8MHz
+5V
+5V
+3.3V
DIN

Table of Contents

Related product manuals