EasyManua.ls Logo

Sony HCD-CL5MD - Schematic Diagram Main Section (1;2)

Sony HCD-CL5MD
112 pages
Print Icon
To Next Page IconTo Next Page
To Next Page IconTo Next Page
To Previous Page IconTo Previous Page
To Previous Page IconTo Previous Page
Loading...
5252
HCD-CL5MD
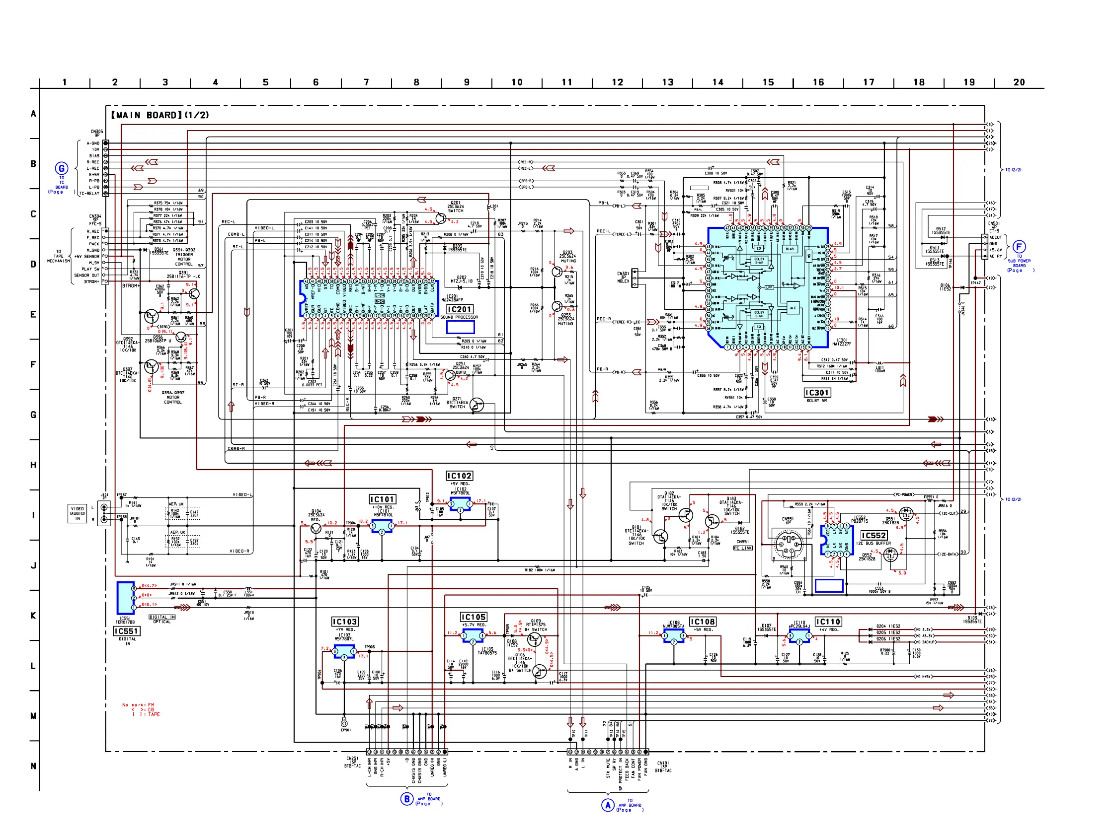
7-4. SCHEMATIC DIAGRAM MAIN SECTION (1/2)
See page 85 for IC Block Diagrams.
RV301
REC LEVEL
0
0
72
66
66
64
IC B/D
IC B/D

Table of Contents

Related product manuals