EasyManua.ls Logo

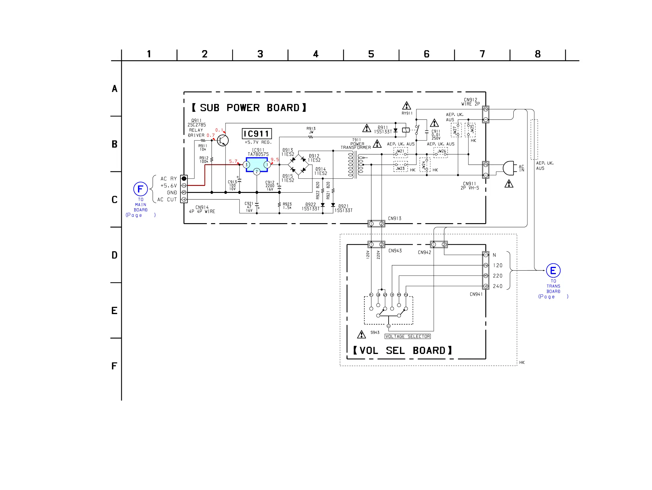
Sony HCD-CL5MD - Schematic Diagram Power Section

Sony HCD-CL5MD
112 pages
Print Icon
To Next Page IconTo Next Page
To Next Page IconTo Next Page
To Previous Page IconTo Previous Page
To Previous Page IconTo Previous Page
Loading...
7272
HCD-CL5MD
7-24. SCHEMATIC DIAGRAM POWER SECTION
52
70

Table of Contents

Related product manuals