EasyManua.ls Logo

Sony HCD-FL5D - DVD Mechanism Deck Section-4 (CDM53 N-DVBU14)

Sony HCD-FL5D
156 pages
Print Icon
To Next Page IconTo Next Page
To Next Page IconTo Next Page
To Previous Page IconTo Previous Page
To Previous Page IconTo Previous Page
Loading...
126
HCD-FL5D
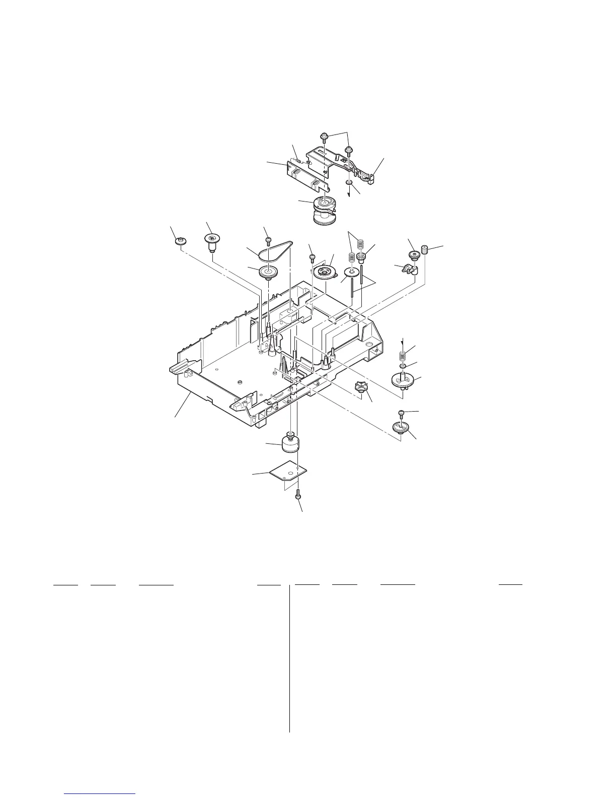
9-13. DVD MECHANISM DECK SECTION-4
(CDM53N-DVBU14)
Ref. No. Part No. Description Remark
Ref. No. Part No. Description Remark
651 4-218-253-11 SCREW (M2.6), +BTTP
652 1-683-901-11 CLAMP MOTOR BOARD
653 4-211-215-01 GEAR (EJECT)
654 4-211-232-01 GEAR (MODE DECELERATION)
655 4-211-214-01 PULLEY (LD)
656 4-211-237-01 BELT (MODE)
657 4-211-230-01 GEAR (CHUCKING)
658 4-212-677-01 SLIDER (SHUTTER)
659 4-212-678-01 SPRING (SHUTTER), TENSION
660 4-985-672-01 SCREW (+PTPWH M2.6), FLOATING
661 4-211-233-01 SLIDER (SELECTION)
662 4-211-245-01 SPRING, COMPRESSION
663 4-211-217-01 GEAR (SELECTION)
664 4-211-221-01 GEAR (LD MOVABLE)
665 4-211-242-11 SHAFT (SELECTION GEAR)
666 4-211-241-01 LEVER (SELECTION)
667 4-211-216-01 GEAR (RELAY)
668 4-211-240-01 GEAR (LD DECELERATION B)
669 4-216-879-01 SPRING (GEAR A), COMPRESSION
670 3-701-446-21 WASHER
671 4-211-218-01 GEAR (GEAR A)
672 4-211-219-01 GEAR (GEAR B)
673 4-211-220-01 GEAR (U/D SLIDER)
M701 X-4950-341-1 MOTOR (CLAMP) ASSY
S707 1-418-045-01 ENCODER, ROTARY
(DISK TRAY ADDRESS DETECT)
M701
S707
not supplied
653
654
656
655
651
658
659
660
661
657
651
662
664
665
663
668
667
666
669
670
671
651
673
672
652
651
not supplied

Table of Contents

Related product manuals