EasyManua.ls Logo

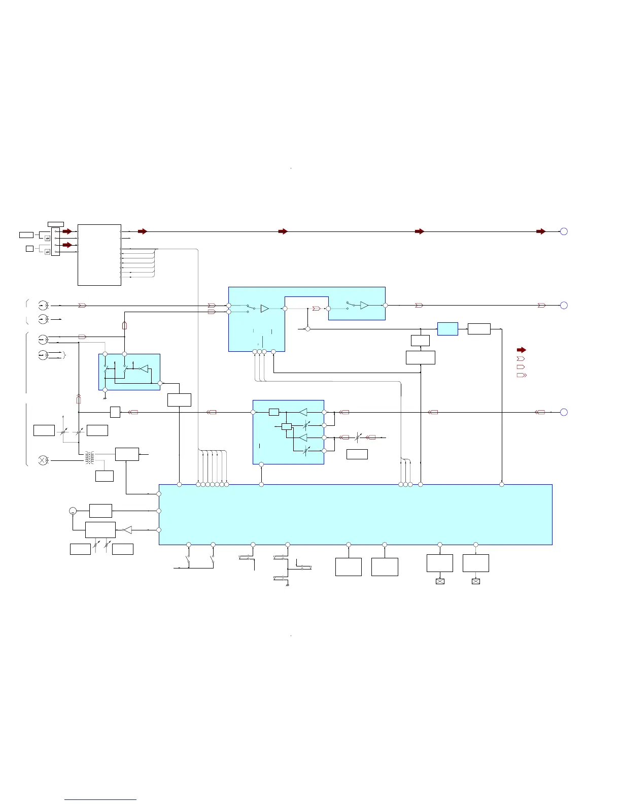
Sony HCD-FL5D - Tuner;Tape Deck Section Block Diagram

Sony HCD-FL5D
156 pages
Print Icon
To Next Page IconTo Next Page
To Next Page IconTo Next Page
To Previous Page IconTo Previous Page
To Previous Page IconTo Previous Page
Loading...
HCD-FL5D
3838
FM ANT
ANT GND
AM ANT
ANT GND
ST-DIN
ST-CLK
ST-CE
ST-MUTE
TUNED
STEREO
L-CH
R-CH
ST-DOUT
TUNER UNIT
FM 75
AM
R-CH
58
ST DIN
57
ST DOUT
59
ST-CLK
56
ST CE
53
ST MUTE
DI
DO
CLK
CE
MUTING
55
TUNED
54
STEREO
TUNED
STEREO
R-CH
L-CH
R-CH
L-CH
R-CH
R-CH
HP901
(PB)
HRPE901
(REC/PB/ERASE)
13
2
4
R-CH R-CH
REC/PB SWITCHING
IC2
R-CH
BIAS OSC
T301
BIAS
TRAP
REC BIAS
SWITCH
Q2, 3, 9
TC +10V
BIAS OSC
Q4, 5
TRIGGER
PLUNGER DRIVE
(DECK B)
Q251, 252
PM902
TRIGGER PLUNGER
(DECK B)
23
A-TRIG
TRIGGER
PLUNGER DRIVE
(DECK A)
Q253, 254
PM901
TRIGGER PLUNGER
(DECK A)
25
B-TRIG
92
B-SHUT
91
A-SHUT
34
32
BIN1
AIN1
15 13 12 14
28 27
EQOUT1
26
PB-OUT1
TAI1
MUTE
DECK A/B SELECT SWITCH,
PB EQ AMP
IC1 (1/2)
R-CH
23
REC-
OUT1
REC-IN1
ALC1
REC EQ AMP, ALC
IC1 (2/2)
21
R-CH
58
ALC
15
(Page 39)
TAPE
L-CH
14
(Page 39)
TUNER
L-CH
16
(Page 39)
REC
L-CH
22 CAPM-CNT1
21 CAPM-H/L
81 BIAS
CAPSTAN
MOTOR DRIVE
Q256.257
MM
M901
(CAPSTAN)
50
B PLAY
49
A PLAY
11
ALC ON/OFF
S1002
(DECK B PLAY)
S1001
(DECK A PLAY)
27
A-HALF
S1003
(DECK A HALF)
93
B-HALF
S1006
(DECK B HALF)
S1009
(DECK B REC)
S1005
(DECK A REC)
D +3.3V
SYSTEM CONTROLLER
IC101 (1/4)
• SIGNAL PATH
• R-ch is omitted due to same as L-ch.
: TUNER
: TAPE PLAY (DECK A)
: REC
: TAPE PLAY (DECK B)
ROTATION
DETECT SENSOR
(DECK A)
IC1001
ROTATION
DETECT SENSOR
(DECK B)
IC1002
DO
CE
MUTING
TUNED
STEREO
DI
CLK
REC BIAS (L)
(DECK B)
RV2
REC BIAS (R)
(DECK B)
RV52
CAPSTAN MOTOR
CONTROL SWITCH
Q1001
Q255
TAPE SPEED
(HIGH)
RV1001
TAPE SPEED
(NORMAL)
RV1002
A/B
NORMAL/HIGH SPEED
MUTE ON/OFF
REC MUTE ON/OFF
A/B
NOR/HIGH
REC MUTE
85 9761 67 66
A/B
NOR/HIGH
REC-MUTE
PB-A/B
EQ-H/N
TC-MUTE
AMS-IN
REC MUTE
EQ
ALC
REC LEVEL
(DECK B)
RV53
82
TC-RELAY
+
MUTING
Q40
MUTING CONTROL
SWITCH
Q41
BUFFER
Q6 - 8
LOW-PASS
FILTER
IC3
24
8
REC-IN2
ALC2
7
ANTENNA
REC/PB
SWITCHING
Q20, 21
D +3.3V
D +3.3V
R-CH
8-2. BLOCK DIAGRAM – TUNER/TAPE DECK Section –

Table of Contents

Related product manuals