EasyManua.ls Logo

Sony PMW-EX30 - Page 70

Sony PMW-EX30
111 pages
Print Icon
To Next Page IconTo Next Page
To Next Page IconTo Next Page
To Previous Page IconTo Previous Page
To Previous Page IconTo Previous Page
Loading...
70
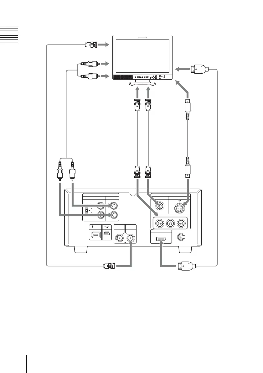
Connecting External Video Monitors
Chapter 6 Example Connections for Various Applications
AUDIO
INPUT
CH-1
-10
+4
-2
INPUT
LEVEL (dB)
CH-2
CH-1/3
Y Pb/B-Y Pr/R-Y
CH-2/4
OUTPUT
HD SDI
INPUT
HDV/DV
HD/SD SDI
OUTPUT
HDMI
DC IN
VIDEO OUTPUT
COMPSITE
COMPONENT
S-VIDEO
!
HD/SD SDI
OUTPUT
HDMI
COMPONENT
AUDIO OUTPUT
CH-1/3, CH-2/4
RGB/
COMPONENT
Y/C IN
HDMI
VIDEO IN
S-VIDEO
COMPOSITE
Video monitor
This unit
a) Cable with BNC connectors
b) S-video cable
c) HDMI cable
d) Select the output video format in “HDMI/CMPNT/SDI Out SEL” (see page 88) of
the VIDEO SET menu.
e) Phono plug cable
a) a) b)
c)
d)
SDI input connector
a) e)
Audio input connectors

Table of Contents

Other manuals for Sony PMW-EX30

Related product manuals