EasyManua.ls Logo

Sony SLV-360 - Page 28

Sony SLV-360
127 pages
Print Icon
To Next Page IconTo Next Page
To Next Page IconTo Next Page
To Previous Page IconTo Previous Page
To Previous Page IconTo Previous Page
Loading...
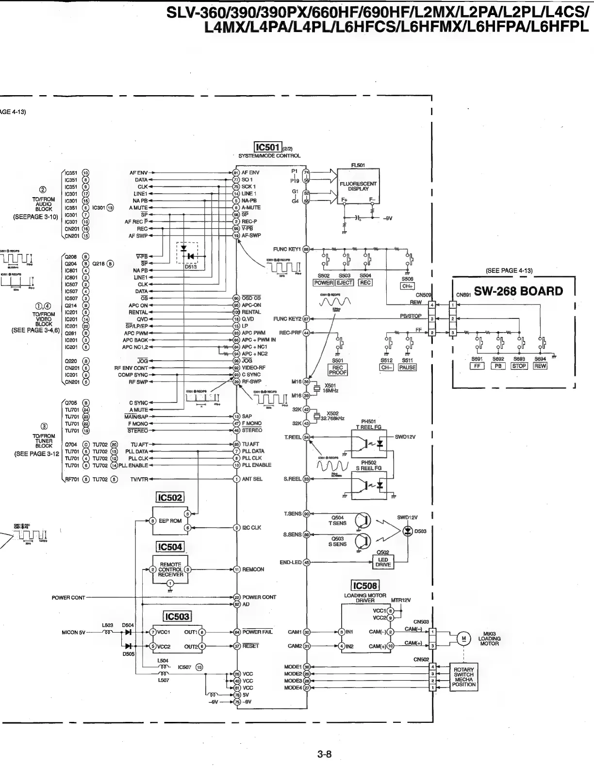
SLV-360/390/390PX/660HF/690HF/L2MX/L2PA/L2PL/L4CS/
L4MX/L4PA/L4PL/L6HFCS/L6HFMX/L6HFPA/L6HFPL
\GE
4-13)
*
SYSTEM/MODE
CONTROL
FLS501
16351
(0)
AF
ENV
Ic351
(8)
DATA
Ic3s1
(8)
CLK
®
10301
(17)
LINE}
«—
ee
|
TORROM
|
icao1
(5)
NAPB~«
BLOcK
|
1351
Ce)
1C301
(a)
AMUTE
(GEEPAGE
3-10)
|
'6301
(7)
SP
16307
(10)
AF
REC
B
CN201
(16)
REC
CN201
(15)
AF
SWP
50:
@
RECIPB
AN
y
]
Q208
(8)
V-PB
h
i
Q204
(B)
Q218
()
oP
ssn
9
neore
tao
(4)
NAPB
|
(SEE
PAGE
4-13)
l
ic801
(2)
LINE1
$502
$503
S504
Bs
pel
Ltt]
ieso7
(a)
ox«———f-
1
[PoWeR][EJECT]
=a
=
Kosu7
(4)
DNAS
|
tos
@
REOPE
CN691
SW-268
BOARD
1c507
(3)
ts<—_—_—_—
a
:
O,@
a2t4
(8)
APC
ON~*
|
TorRom
|
'c201
(5)
RENTAL
<+————_
uiDEO.
Ic201
(14)
avo
«———_}
PB/STOP
\c201
(22)
SP/LP/EP
+
(SEE
PAGE
3-4,6)
a261
(a)
APC
PWM
a
5
AN
Ic201
(3)
APC
BACK
oh
h
h
f
f
h
h
Ic201
©)
APG
NC1,2
ret
3
3
rh
|
q220
(a)
JOG
$501
$512
S511
seot
Seer
Seog
soos
on201
®
RF
ENV
CONT
pees
PAUSE,
LFF]
STOP
Ic201
COMP
SYNC
i=
ROO!
.
;
:
cN201
(5)
RF
SWP
XG
o
X501
yao
J
les
@RECPB
16MHz
Q705
(8)
C
SYNC
Lit
tt
TU701
(24)
AMUTE————
TU701
(3)
MAIN/SAP
T30
7eakHz
®
Tu701
(2)
F
MONO
peel
-
cal
Tu701
(13)
STEREO
>
Yi
er
Q704
(c)
TU702
(0)
TU
AFT
(SEE
PAGE
3-12
|
TU701
(5)
Tu702
(13)
PLLDATA
TU701
(4)
TU702
(12)
PLLCLK~
s
a
Tu701
(6)
TU702
(14)PLL
ENABLE
N
SUSU
sheer
RF701
(5)
Tu702
(5)
«TVR
Dre
i
ee
|
Io
©)
CY
SwD12V
iar
eno
TSENS
>
6
il
;
(6)
12C
CLK
D503
503
ad
[1504]
[1C504]
as
REMOTE
DRIVE
CONTROL
©
RECEIVER
@
G@)
LOADING
MOTOR
POWER
CONT
DRIVER
MTR12V
|
(8)
veoa(s)—
CN503
L503
D504
CAM
MICON
5V
w0
(3)IN1
CAM(-)@)
[+
|
Mg03
as
=
oof)
©
Bie
(4)IN2
CAM(+)(9)
#1
[3
MOTOR.
D505
:
1
ee
ROTARY
2
le
be—|
MECHA
rs
hl
POSITION

Table of Contents

Related product manuals