EasyManua.ls Logo

Sony SLV-360 - Audio Block Diagram

Sony SLV-360
127 pages
Print Icon
To Next Page IconTo Next Page
To Next Page IconTo Next Page
To Previous Page IconTo Previous Page
To Previous Page IconTo Previous Page
Loading...
:
SLV-360/390/390PX/660HF/690HF/L2MX/L2PA/L2PL/L4CS/
L4MX/L4PA/L4PL/L6HFCS/L6HFMX/L6HFPA/L6HFPL
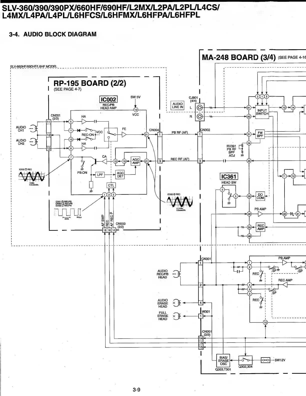
3-4.
AUDIO
BLOCK
DIAGRAM
MA-248
BOARD
(3/4)
(sce
pace
4-16
SLV-660HF/690HF/L6HF
MODEL
ee
POISON
NIM
ee
-
-
-
-
-
-
-
-
-
-
-
-
-
e
RP-195
BOARD
(2/2)
'
:
i
(SEE
PAGE
4-7)
'
i)
i)
I
3
i
REC/PB
HEAD
AMP
(43)
1c002
@
REC
1Vidiv.
O.2usecidlv,
[C001
)
REC/PB
CN002
@
REC/PB
Ico02
©
REC/PB
l
»
BM
PB
AMP
S0Hz

Table of Contents

Related product manuals