EasyManua.ls Logo

Sony SLV-360 - Tuner Block Diagram

Sony SLV-360
127 pages
Print Icon
To Next Page IconTo Next Page
To Next Page IconTo Next Page
To Previous Page IconTo Previous Page
To Previous Page IconTo Previous Page
Loading...
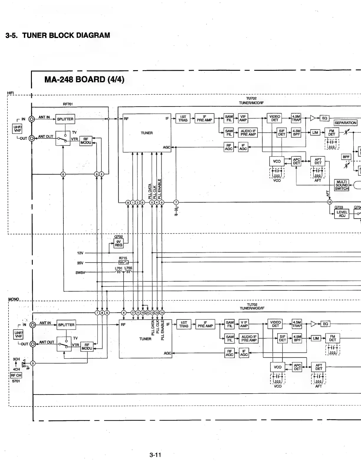
3-5.
TUNER
BLOCK
DIAGRAM
MA-248
BOARD
(4/4)
pL.
[et
eee
se
rrr
serpent
speek
ne
Se
pe
ee
a
ey
ye
are
POS
og
oe
Pe
Gs
epee
Oe
nena
RF
TUNER
PLL
DATA
PLL
CLK
PLL
ENABLE
©)
a
|
Vaeee
3
(2)
Q703
Q70-
LEVEL|
|,
ADJ
Sa
i
(>)
TU702
TUNER/MOD/IF
hemes
th
-@
:
a
AMP
Va
saW|,|
AUDIO
IF
0
ware
PRE
AMP
or
Oe
Bu
PLL
ENABLE}
SIF
4.5M
FM
7
1
IF
*
(900
{
aac|*———|
TJ
ey
|
3CH
g
@)
-
le
“ail
AET
4CH
veo
[|
pet
DET
RF
CH
'
7
:
r
5
'
f
$701
'
(ooo
i
1
Lona)
|
vco
AFT
eo
dg
he
Maton
os
Ailend
pias
wie
a
neh
one
Hee
eee
Bad
adie
he
wos
wok
ot
sulla
oe
pe
ee
eee
reine
Gennes
SA
ee
ea
em
Be
femiw
arene
nr
nn
3-11

Table of Contents

Related product manuals