EasyManua.ls Logo

Sony SLV-360 - Servo;System Control Block Diagram

Sony SLV-360
127 pages
Print Icon
To Next Page IconTo Next Page
To Next Page IconTo Next Page
To Previous Page IconTo Previous Page
To Previous Page IconTo Previous Page
Loading...
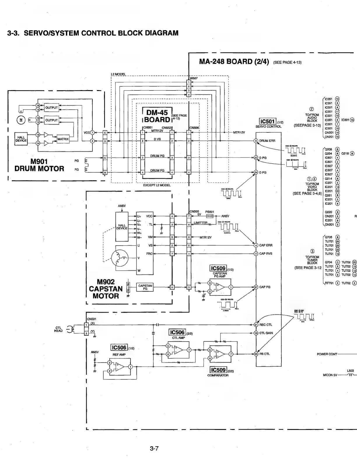
3-3.
SERVO/SYSTEM
CONTROL
BLOCK
DIAGRAM
10351
(40)
Ic351
8
®
10351
10301
regen
|
cor
i
BLOCK
|
[C351
8
1901
(9)
SEEPAGE
3-10)
|
!0901
,
SERVO
CONTROL
(
est
(10)
MTR12V
On201
(38)
CN201
(15)
(3)
DRUM
ERR
0501
@
RECIPE
on
UU
3)
10501
@
RECIPE
DRUM
MOTOR
om
)
7
O@
TO/FROM
VIDEO
BLOCK
(SEE
PAGE
3-4,6)
4
|
aie
il
4
Q705
(B)
Ae
Tu701
(24)
z
7U701
(23)
Es
@
TU701
(22)
Tu701
(19)
TO/FROM
_4
|
TU701
(Ss)
TU7O2
(13)
(SEE
PAGE
3-12
tu701
(a)
Tu702
(i)
Tu701
(8)
TU702
(14)
ye
Q704
ote
0)
M902
CAPSTAN
i
MOTOR
r
US
ee
es
CO
|
CN501
RF701
(6)
Tu702
(5)
{eT
TT
eT
Jel
Jel
Ts]
CTL.
hs
a
,
[IC506
|
22)
(16)
CTLAMP
ANSV
a
ming
Psd.
(25)
POWER
CONT
——————
(2/2)
L503
COMPARATOR
MICON
SV
——00-—

Table of Contents

Related product manuals