EasyManua.ls Logo

Sony SLV-360 - Page 48

Sony SLV-360
127 pages
Print Icon
To Next Page IconTo Next Page
To Next Page IconTo Next Page
To Previous Page IconTo Previous Page
To Previous Page IconTo Previous Page
Loading...
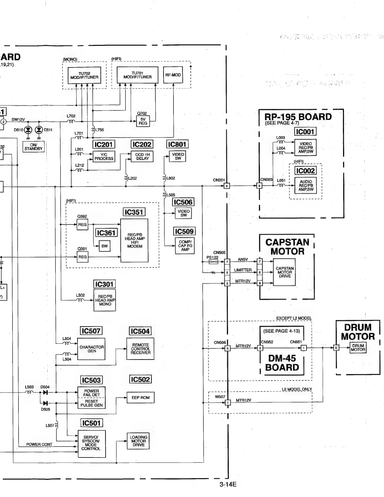
ARD
(MONO)
CFI)
$21)
00
TU701
MOD/IF/TUNER
2
|
RP-195
BOARI
(SEE
PAGE
4-7)
on
||
STANDBY
|
CHIEN
eos
ode
ee
Bee
ot
f
'
t
f
1
1
CAPSTAN
,
MOTOR
REC/PB
HEAD
AMP}
MONO
)
EXCEPT
L2
MODEL
REMOTE
CONTROL
RECEIVER
CHARACTOR
GEN
POWER:
(0000
fee
We
ee
ee
L2
MODEL
ONLY
FAIL
DET
;
RESET.
PULSE
GEN
SERVO/
SYSCON/
MODE
CONTROL
LOADING

Table of Contents

Related product manuals