EasyManua.ls Logo

Sony SLV-360 - Page 54

Sony SLV-360
127 pages
Print Icon
To Next Page IconTo Next Page
To Next Page IconTo Next Page
To Previous Page IconTo Previous Page
To Previous Page IconTo Previous Page
Loading...
23
RBIOES-B2:660HF,
6S0HF,
L6HF
25
26
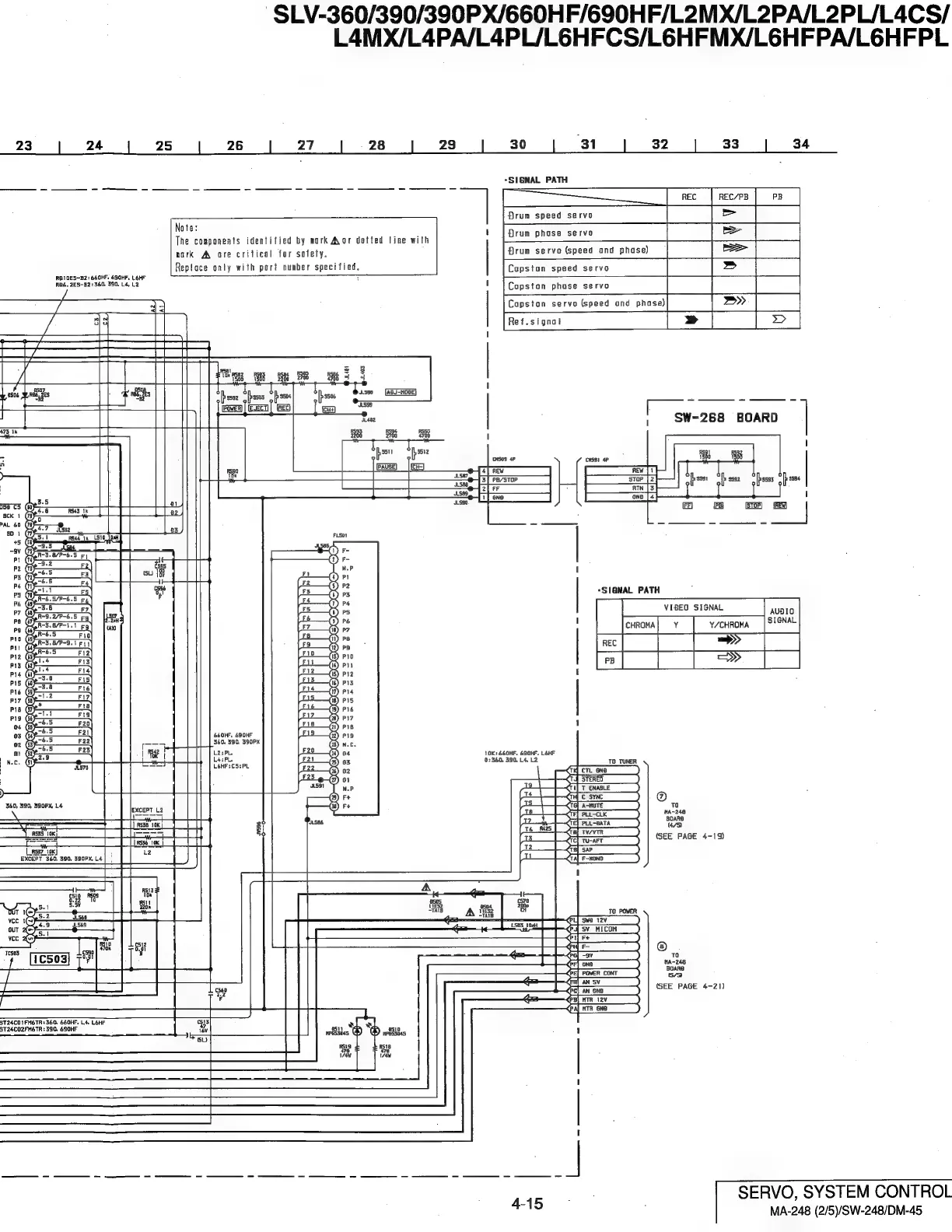
‘SLV-360/390/390PX/660HF/690HF/L2MX/L2PA/L2PL/L4CS/
L4MX/L4PA/L4PL/L6HFCS/L6HFMX/L6HFPA/L6HFPL
28
30
31
*SIGNAL
PATH
Note:
The
components
identified
by
mark
Aor
dotted
line
with
nork
AV
ore
critical
for
sofety.
AB.
2E5-B2:360,
390,
L4
L2
AZ
AL
Reptoce
anly
with
port
number
specified.
32
amen
|
id
|
Forse
pnese
serve
did
33
34
Drum
servo
(speed
and
phase)
ES
>
Capston
servo
(speed
and
pnase)]
|
>
Ref.signal
=
13
Th
1s
18
17
Te
13
12
Tl
570
L503
tOsH.
10K:
660HF.
6S0HF,
L6HF
0:360,
390.1412
R425
t
1
|
¥)
go)
|
Firsez
sas
sae
8555
R586
5
g
|
{itl
100,
is0d
2200 2700
700
3
,
507
if
t
i
D806
WRK,
ZES
nibs
ppssoe
fpssos
fpssos
1598
(ABJ-NDBE
?
5
+)
a
a75
Vk
4
|
A
+
_
a)
ISB
CS
(GOR
wT
ve
sck
1
(AFT
~+—}
PAL
60
(78
80
1
(Ape
see
8:
+s
Gb
Sa!
44
1x
L510
1DoH
7
oa
R-5.8/P-6.5,
pr
(7
a
P2
Ps
F3
6u
‘@
P4
PS
ar
PS
a
P7
(ey
R-9.27P-6.5
?
pa
(7
Fe)
pede
R-3.8/P—1,
1
on
Pg
(64)
pio
Gree
Eig
RS.
B/P=9.1
FIT
Pi
(4
R665
FI2
Piz
(63
ne
Fiz
P13
(6
$4
FI4
p14
GIRS
mis
GR
Eis
“3.
FIé
PIs
(So
p17
(apne
ELZ
*
Fta
Pia
(5?
aire)
Fig
P19
(St
6.5
F20
66
GF
es
Gi
£21
S60HF.
6S90HF
62
(Btn
F22
en
360,
390,
390PX
a
Gt
itd)
|
Rae
L2;sPL
acs
sel
L4sPL.
NC.
(SI
=
HF
CS:
570
are
L6HF:CS:PL
340, 390,
S90PX,
L4
EXCEPT
Lz
[R536
10k
#
i
{S36
1
|
Le
12
EXCEPT
360,
390,
390PX,
L4
rt
hit
8513
A
fe
SP
be
5.5V
Si
a
rT
io
5.1
220k
TAB
A
fies
cope
W568
TAB
vee
Weed
W569
out
ofa
ver
ay
RSID
e512
420
=e
1503
sap
|
“70
ol
7
7a
Ty
*
ST24CO1FMGTR:
360,
660HF.
L4
L6H
5T24C02FM4TR:
390,
690HF
513
42
16¥
SD
|
eC
-
TD
TUNER
TK]
CTL GND
TJ
STEREO
1]
T
ENABLE
SYNC
TG}
A-MUTE
PLL-CLK
PLL-BATA
‘B}
TV/VTR
Ch
TU-AFT
SAP
F-40NO
TO
POWER
L]
Swe
12V
Pui
S¥V_MICOM
Pil
Fe
tH]
F-
PG]
-3V
PF}
GND
PE|
POWER
CONT
Pal
AN SY
Cc}
AN
GNO
HTR_12V
A]
KTR GND
@
TO
HA~248
BOARD
4/3
(SEE
PAGE
4-19)
@
TO
MA=248
BOARD
S/o
(SEE
PAGE
4-21)
SW-268
BOARD
SERVO,
SYSTEM
CONTROL
MA-248
(2/5)/SW-248/DM-45

Table of Contents

Related product manuals