EasyManua.ls Logo

Sony SLV-360 - Page 57

Sony SLV-360
127 pages
Print Icon
To Next Page IconTo Next Page
To Next Page IconTo Next Page
To Previous Page IconTo Previous Page
To Previous Page IconTo Previous Page
Loading...
12 13
14 15 16 17
18
19
20
21
22
23
660HF,
6S0HF,
LHF
=
|
0
ha
ERASE
3c
7
aa?
|
cass
|
|
4TFiey
.
|
|
l,
iE:
®
|
:
1
|
exg)
ys
(1
Lt
|
_
cee
sso
|
J
[545
i
eee
aa
=
aa
nd
mee Gs)
()
(53)
RO
ot]
Btls
ti?
Te
oe
RE
|
gers)
oe
ie SH
BT
Toth
HS
dt
Sie
oe
wan
ete
wera
wae
“TAIN
ms
Lifes
pear
|
cnoos
|
ih
(SEE
PAGE
4~9)
1
CAL
$0
4.773
52,
‘s
we
|
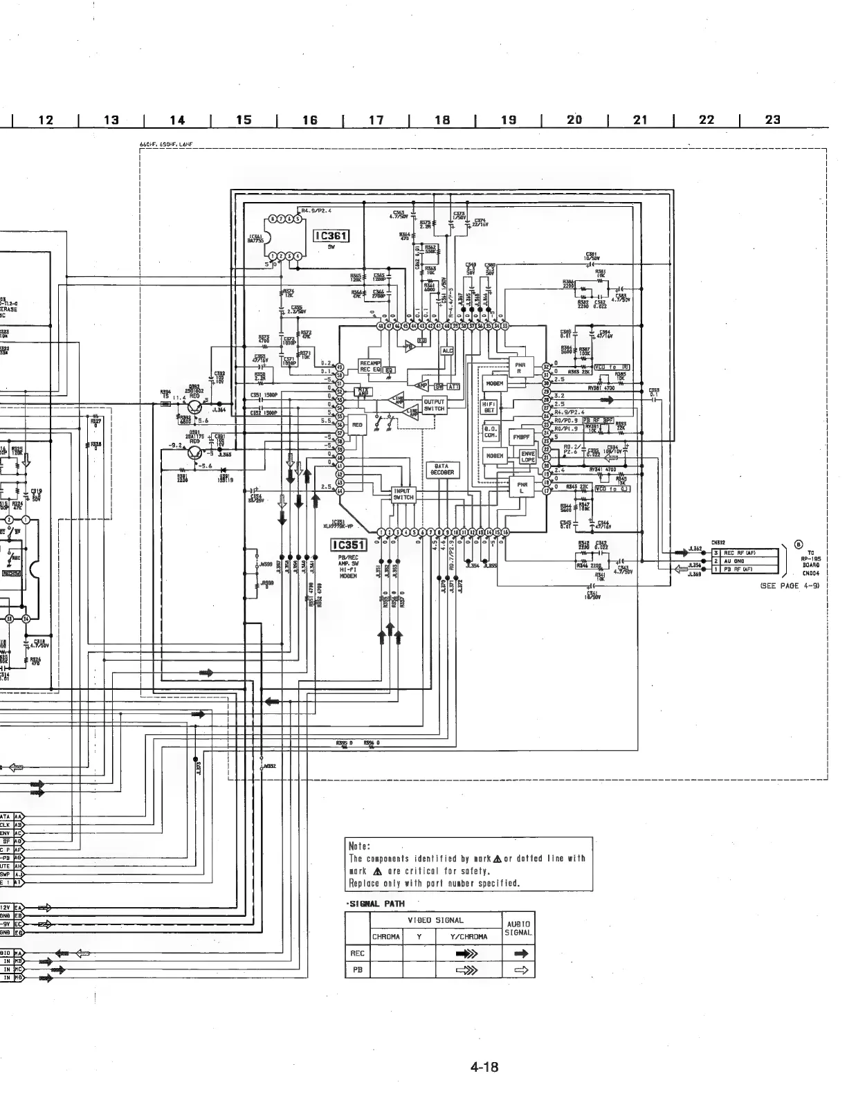
Note:
The
components
identified
by
mark
Aor
dotted
line
with
mork
AX
Gre
critical
for
safety.
Replace
only
with part
number
specified.
*SIGNAL
PATH
VIDEO
SIGNAL
suaiG
CHROMA]
y/cHRoma
=
|
STGNAL
=
-]
>>
|
Pa
|
|
|
4-18

Table of Contents

Related product manuals