EasyManua.ls Logo

SoundCraft Si Compact - Block Diagrams

SoundCraft Si Compact
72 pages
Print Icon
To Next Page IconTo Next Page
To Next Page IconTo Next Page
To Previous Page IconTo Previous Page
To Previous Page IconTo Previous Page
Loading...
64
Soundcraft Si Compact User Guide 1211
To GEQ
From GEQ
ROUTING
To GEQ
From GEQ
To GEQ
From GEQ
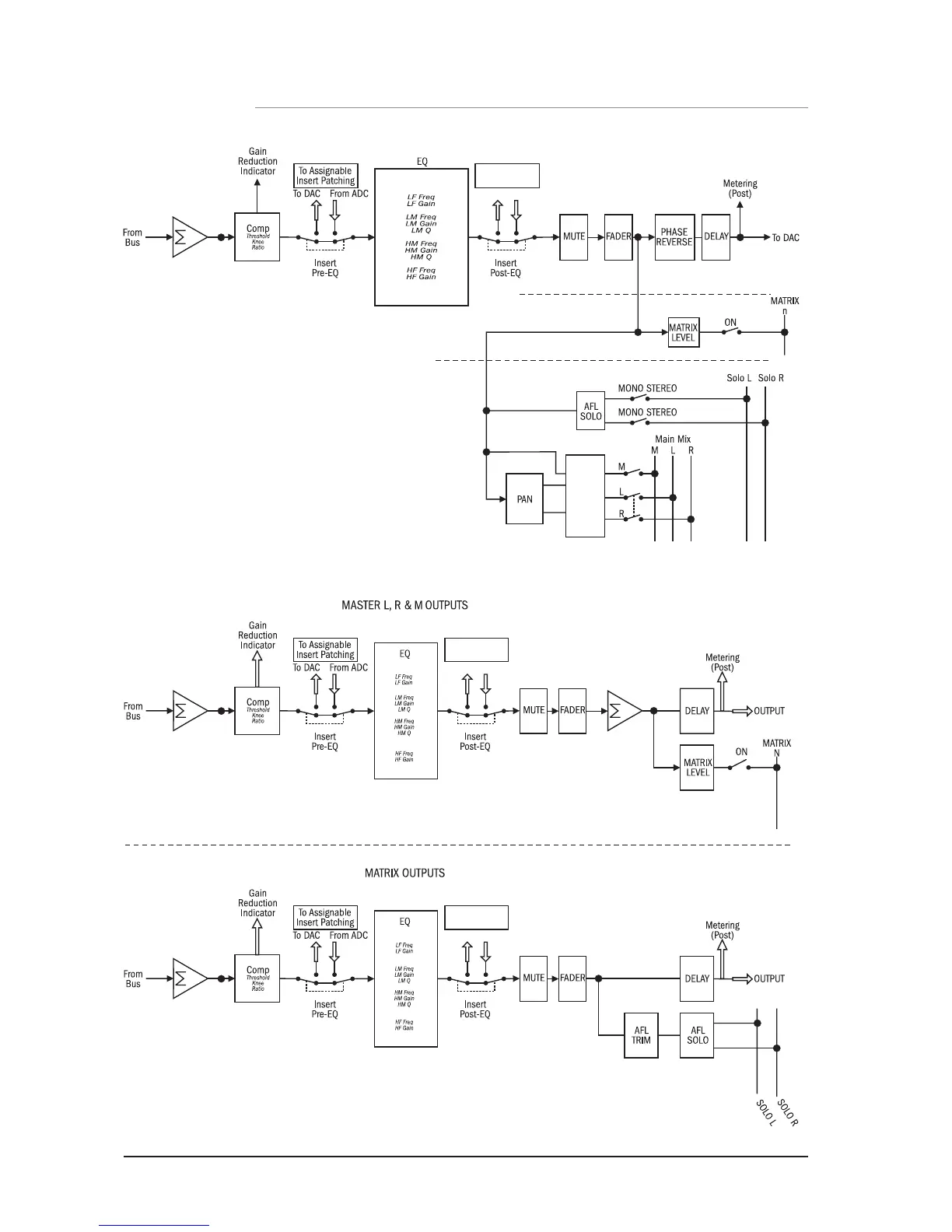
BLOCK DIAGRAMS
AUX
MIX & MATRIX OUTPUT

Table of Contents

Other manuals for SoundCraft Si Compact

Related product manuals