EasyManua.ls Logo

Subaru Impreza 2004 - Page 159

Subaru Impreza 2004
796 pages
Print Icon
To Next Page IconTo Next Page
To Next Page IconTo Next Page
To Previous Page IconTo Previous Page
To Previous Page IconTo Previous Page
Loading...
ME(H4SO)-63
MECHANICAL
Cylinder Head Assembly
6) Install the intake manifold. <Ref. to FU(H4SO)-
18, INSTALLATION, Intake Manifold.> or <Ref. to
FU(H4SOw/oOBD)-18, INSTALLATION, Intake
Manifold.>
7) Install the camshaft sprocket. <Ref. to
ME(H4SO)-53, INSTALLATION, Camshaft
Sprocket.>
8) Install the timing belt assembly. <Ref. to
ME(H4SO)-49, INSTALLATION, Timing Belt As-
sembly.>
9) Install the timing belt cover. <Ref. to ME(H4SO)-
47, INSTALLATION, Timing Belt Cover.>
10) Install the crankshaft pulley. <Ref. to
ME(H4SO)-45, INSTALLATION, Crankshaft Pul-
ley.>
11) Install the V-belt. <Ref. to ME(H4SO)-43, IN-
STALLATION, V-belt.>
C: DISASSEMBLY
1) Place the cylinder head on ST.
ST 498267800 CYLINDER HEAD TABLE
2) Set the ST on valve spring. Compress the valve
spring, and then remove the valve spring retainer
key. Remove each valve and valve spring.
ST 499718000 VALVE SPRING REMOVER
CAUTION:
Mark each valve to prevent confusion.
Use extreme care not to damage the lips of in-
take valve oil seals and exhaust valve oil seals.
D: ASSEMBLY
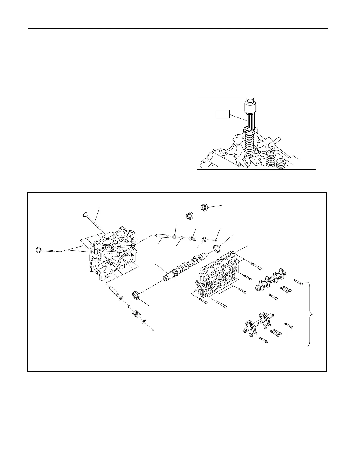
ME-00280
ST
(1) Valve (6) Retainer (11) Plug
(2) Valve guide (7) Retainer key (12) Camshaft cap
(3) Valve spring seat (8) Spark plug gasket (13) Valve rocker ASSY
(4) Oil seal (9) Camshaft
(5) Valve spring (10) Oil seal
ME-00281
(10)
(9)
(6)
(1)
(2)
(3)
(4)
(5)
(7)
(8)
(11)
(13)
(12)

Table of Contents

Other manuals for Subaru Impreza 2004

Related product manuals