EasyManua.ls Logo

Subaru Impreza 2004 - Water Pump

Subaru Impreza 2004
796 pages
Print Icon
To Next Page IconTo Next Page
To Next Page IconTo Next Page
To Previous Page IconTo Previous Page
To Previous Page IconTo Previous Page
Loading...
CO(H4SO)-3
COOLING
General Description
B: COMPONENT
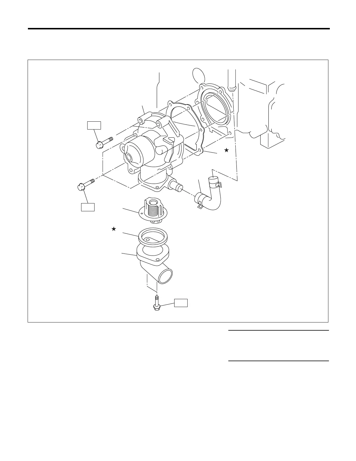
1. WATER PUMP
(1) Water pump ASSY (5) Gasket Tightening torque: N·m (kgf-m, ft-lb)
(2) Gasket (6) Thermostat cover T1: First 12 (1.2, 8.7)
Second 12 (1.2, 8.7)
(3) Heater by-pass hose
(4) Thermostat T2: 6.5 (0.66, 4.8)
CO-00001
T2
(2)
(1)
(4)
T1
(3)
(5)
(6)
T1

Table of Contents

Other manuals for Subaru Impreza 2004

Related product manuals