EasyManua.ls Logo

Subaru Impreza 2004 - Page 217

Subaru Impreza 2004
796 pages
Print Icon
To Next Page IconTo Next Page
To Next Page IconTo Next Page
To Previous Page IconTo Previous Page
To Previous Page IconTo Previous Page
Loading...
CO(H4SO)-9
COOLING
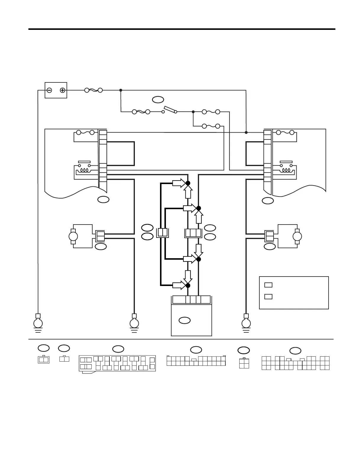
Radiator Sub Fan System
3. Radiator Sub Fan System
A: WIRING DIAGRAM
CO-00222
BATTERY
SBF-1
No.17
No.18
SBF-4
B72
IGNITION
SWITCH
20A
AIR CONDITIONING
RELAY HOLDER
SUB
FAN
RELAY
SUB FAN
MOTOR
3
4
18
20
19
17
F16
2
1
20A
AIR CONDITIONING
RELAY HOLDER
MAIN
FAN
RELAY
MAIN FAN
MOTOR
1
2
26
28
27
25
F17
2
1
B134
ECM
F17
2 1
F16
1 2
3 4
5 6
7
8
9
10
11 12
13 14
15
16
17
18
19 20
21 22
23
24
25
26
27 28
29
30
B134
1 2 3 4 5 6 7 8
9
10 11 12 13 14 15 16 17 18 19 20 21 22 23
24 25 26 27 28 29 30 31 32 33 34 35
F45
3412 89
10 11
12 13 14 15 16 17 18 19 20 21 22 23 24
567
F27
F27
F45
B62
12
2
RHD
LHD
RHD
LHD
F96
B225
4
3
RHD
LHD
LHD
RHD
F96
34
12
1 2
F27
EE
E
MM
WITH OBD MODEL : 14
WITUOUT OBD MODEL : 3
WITH OBD MODEL : 13
WITUOUT OBD MODEL : 12
*
1
*
2
*
1
*
2

Table of Contents

Other manuals for Subaru Impreza 2004

Related product manuals