EasyManua.ls Logo

Subaru Impreza 2004 - Page 375

Subaru Impreza 2004
796 pages
Print Icon
To Next Page IconTo Next Page
To Next Page IconTo Next Page
To Previous Page IconTo Previous Page
To Previous Page IconTo Previous Page
Loading...
EN(H4SO)(diag)-69
ENGINE (DIAGNOSTICS)
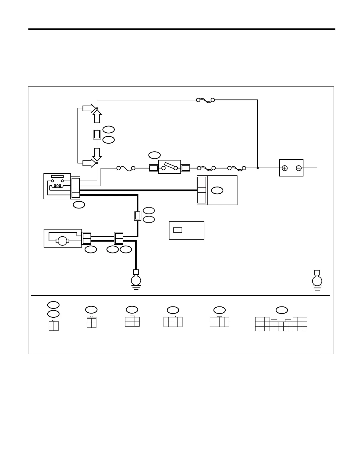
Diagnostics for Engine Starting Failure
E: FUEL PUMP CIRCUIT
CAUTION:
After repair or replacement of faulty parts, conduct Clear Memory Mode <Ref. to EN(H4SO)(diag)-47,
OPERATION, Clear Memory Mode.> and Inspection Mode <Ref. to EN(H4SO)(diag)-40, OPERATION,
Inspection Mode.>.
WIRING DIAGRAM:
EN-01420
B72
R15
F44
R58
3
4
12
SBF-1
No.11
SBF-4
E
E
1
10
4
B72
F44
B61
B46
R58
R57
R15
SBF-5
2
1
3
4
4
M
1
4
1
B136
ECM
34
12
13
456
2
123
4
5 6 7 8
BATTERY
IGNITION
SWITCH
FUEL PUMP
RELAY
FUEL PUMP
2
B97
R1
*
B97
123
4
5 6 7 8
RHD
RHD
LHD
LHD
*
LHD : 7
RHD : 5
B46
B136
5
2
8
4
3
9
2320 21
10 11
22
16
17
24
25
12
13
6
26
19
15
14
1
7
18

Table of Contents