EasyManua.ls Logo

Tecnoware EVO DSP PLUS MODULAR - LCD Display Sections

Tecnoware EVO DSP PLUS MODULAR
104 pages
Print Icon
To Next Page IconTo Next Page
To Next Page IconTo Next Page
To Previous Page IconTo Previous Page
To Previous Page IconTo Previous Page
Loading...
ENGLISH
UPS EVO DSP PLUS Modular 13 User’s manual
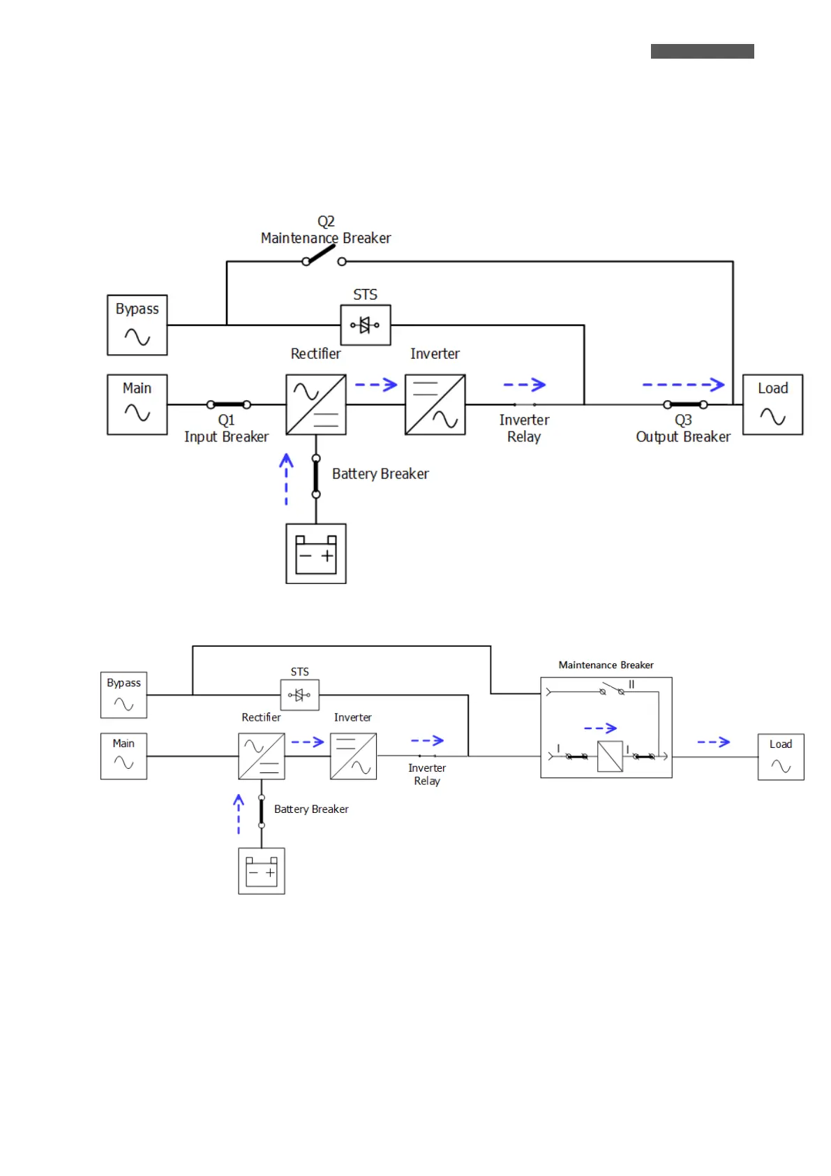
4.2.3 Battery Mode
The UPS automatically transfers to Battery Mode if the Utility fails. There is no interruption to the load upon
failure.
In battery mode, the Rectifier delivers power from the Battery and supplies DC power to the Inverter. The Inverter
filters the DC power and converts it into pure and stable AC power to the load.
Figure 4.4 Battery Mode Diagram (up: 80KVA~210KVA cabinet; down: only 300KVA cabinet)

Related product manuals