EasyManua.ls Logo

Tecnoware EVO DSP PLUS MODULAR - Bypass Mode

Tecnoware EVO DSP PLUS MODULAR
104 pages
Print Icon
To Next Page IconTo Next Page
To Next Page IconTo Next Page
To Previous Page IconTo Previous Page
To Previous Page IconTo Previous Page
Loading...
ENGLISH
User’s manual 14 UPS EVO DSP PLUS Modular
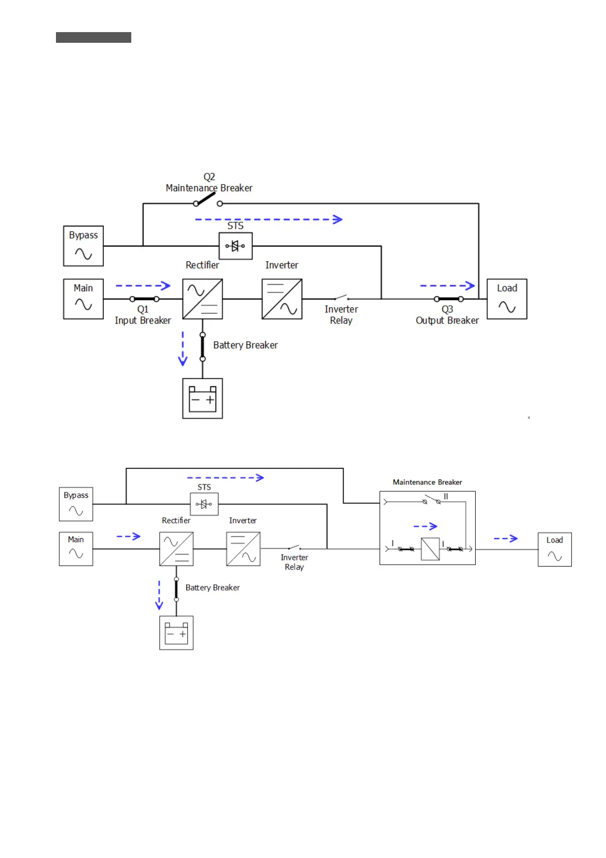
4.2.4 Bypass Mode
Upon connecting to Utility Input Power, the UPS is in Bypass Mode before UPS is turned on (if BYPASS enable
setting is Enabled), and Charger function will be active when Battery is connected.
After UPS has been turned on, if the UPS encounters abnormal situations (over-temperature, overload …, etc.), the
Static Transfer Switch (STS) will perform as a transference of the load from the Inverter to the Bypass source with
no interruption. If the transference is caused by a recoverable reason, the UPS will turn back to Line Mode when
abnormal situation has been solved.
Figure 4.5 Bypass Mode Diagram (up: 80KVA~210KVA cabinet; down: only 300KVA cabinet)

Related product manuals