EasyManua.ls Logo

Tecnoware EVO DSP PLUS MODULAR - Operation Modes

Tecnoware EVO DSP PLUS MODULAR
104 pages
Print Icon
To Next Page IconTo Next Page
To Next Page IconTo Next Page
To Previous Page IconTo Previous Page
To Previous Page IconTo Previous Page
Loading...
ENGLISH
UPS EVO DSP PLUS Modular 11 User’s manual
4.2 Operation Modes
EVO DSP PLUS MODULAR is a Three-Phase, Four-Wire On-Line, Double-Conversion UPS that permits operation in the
following modes:
Standby Mode
Line Mode
Battery Mode
Bypass Mode
ECO Mode
Shutdown Mode
Maintenance Bypass Mode (Manual Bypass)
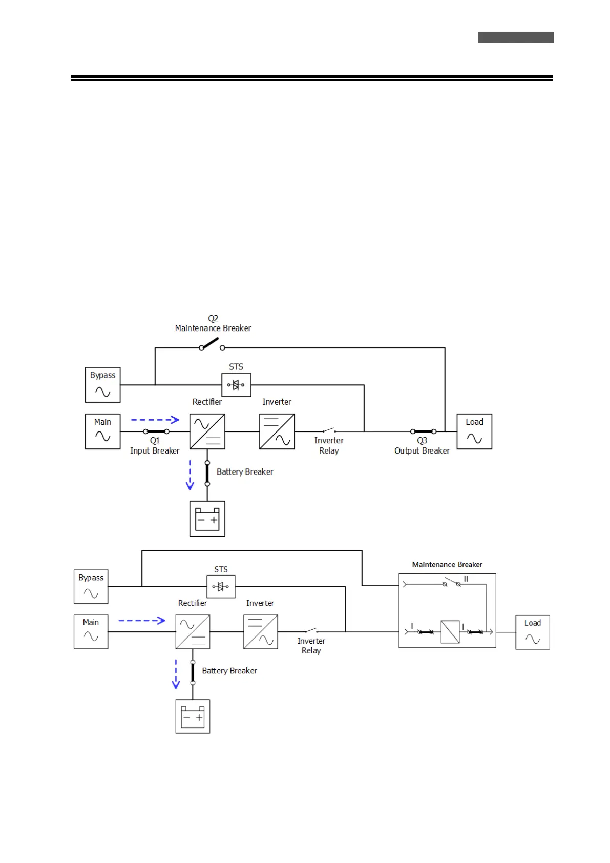
4.2.1 Standby Mode
Upon connecting to Utility Input Power, the UPS is in Standby Mode unless UPS is turned on (if Bypass enable
setting is Disabled), and Charger Function will be active when the Battery is connected. The load is not powered
under this mode.
Figure 4.2 Standby Mode Diagram (up: 80KVA~210KVA cabinet; down: only 300KVA cabinet)

Related product manuals