EasyManua.ls Logo

Tecnoware EVO DSP PLUS MODULAR - Maintenance Bypass Mode (Manual Bypass)

Tecnoware EVO DSP PLUS MODULAR
104 pages
Print Icon
To Next Page IconTo Next Page
To Next Page IconTo Next Page
To Previous Page IconTo Previous Page
To Previous Page IconTo Previous Page
Loading...
ENGLISH
UPS EVO DSP PLUS Modular 17 User’s manual
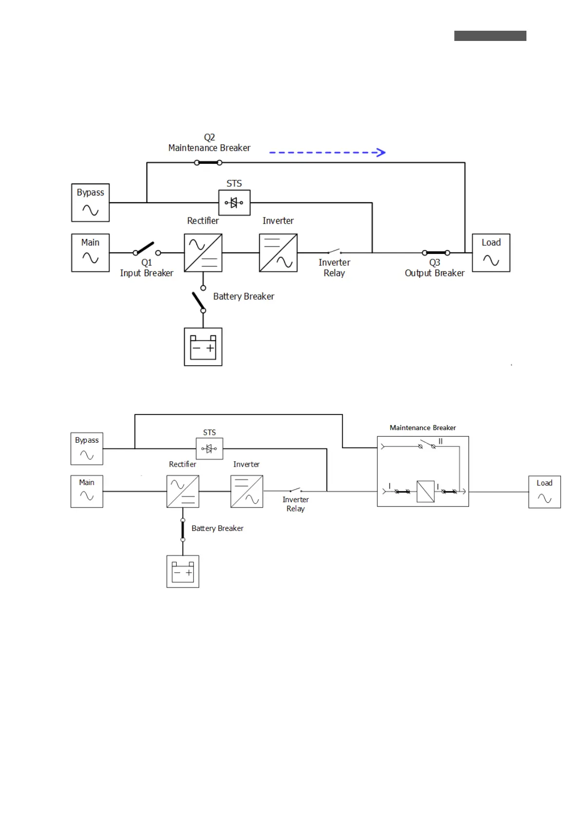
4.2.7 Maintenance Bypass Mode (Manual Bypass)
A Manual Bypass Switch (Maintenance Breaker) is available to ensure continuity of supply to the critical load when
the UPS becomes unavailable e.g., during a maintenance procedure. Before entering the Maintenance Bypass
Mode, make sure the Bypass power source is normal.
Figure 4.8 Maintenance Bypass Mode Diagram (up: 80KVA~210KVA cabinet; down: only 300KVA cabinet)

Related product manuals