EasyManua.ls Logo

Tektronix 2445A - Page 249

Tektronix 2445A
330 pages
Print Icon
To Next Page IconTo Next Page
To Next Page IconTo Next Page
To Previous Page IconTo Previous Page
To Previous Page IconTo Previous Page
Loading...
FRONT-PANEL
ROW,
COL,
CONTROLS
ANO
ANALOG
~
CD
(CONTROL
DAT
A)
0
SIGNALS
ll.T
AND
ll.V
I
ANALOG
REFERENCE
VOLTAGES
AND
DIGITAL
LED
DATA
CONTROLS
FRONT-PANEL
0
_cyl
[JJ
INDICATORS
RAM
CH
2
OUT
0
0
~
MPU
BUS
1
iiw[
'\
+
CH
4 IN
~
CH
4
SIS
CH
3
CH
3 SIG
VERTICAL
DELAY
LINE
VERTICAL
AND
CHANNEL
~
AMPLIFIER
VERT
SIB
CH
4
SWITCH
,
CH
3 IN
~
PREAMP
2
0
0
CH
4
TRIG
PICKOFF
co.
0
CH
3
TRIG
PICKOFF
READOUT
r
VERTICAL
-=:f
RE
0
UT!
OUT
2
CH
3
GAIN
'
READOUT
HnATZONTAL
nuT
AUXILIARY
CH
4
GAIN
CONTROL
READOU7:
l
REGISTER
i----
l!li[
REQUEST
READOUT
0
-
ACKNOWLEDGE
CH
2
CH
2
OUT
TRACE
SEP
,__...
ATTENUATOR
CH
2
DISPLAY
HORIZONTAL
SELECTS
AND
PREAMP
MAG
LATCH
~
CH
2 SIG
Cll....,
SEQUENCER
SWEEP
BATES
RELAYS
0
•XT Z
TN
CH
2
TRIG
0
HOLOOFF
L
CH
2
IN
~
0
PICKOFF
DLY
SELECT
AU
'
6
.--
CD
I
Z-AXIS
Z-AXIS
DC
~
....
"'
AMPLIFIER
RESTORER
CRT
coo
~~
A
GATE
OUT
0
HUI
0 0
l!:irl
I!:;:!
B
GATE
CD
"'
"'v
i
2
----
r-..
2
~
CH
1
--------
----
I
ATTENUATOR
CH
1
SIB
A
BATE
AND
TRIGGERS
A
MAG
LATCH
CH
1
SWEEP
__.,; 2
RELAYS
PREAMP
TRIG
HORIZ
SIB
-
CH
1
TRIG
PTCKOFF
0
-
0
____.
HORIZONTAL
CH
1 IN
~
0 0
AMPLIFIER
CD-
A
SWEEP
~
-
0
A12
>---
~
HIGH-VOLTAGE
-
t
DELAY
POWER
SUPPLY
BATE
-
+14KV
0
CD
LOW-VOLT
AGE
LINE
160
Hzl
B
~
POWER
CD-
SUPPLY
SWEEP
I
0~
,____
crnc~~~s
TRIG
0
B
SWEEP
B
GATE
-
HORIZONTAL
OUT
IX)
6017-21
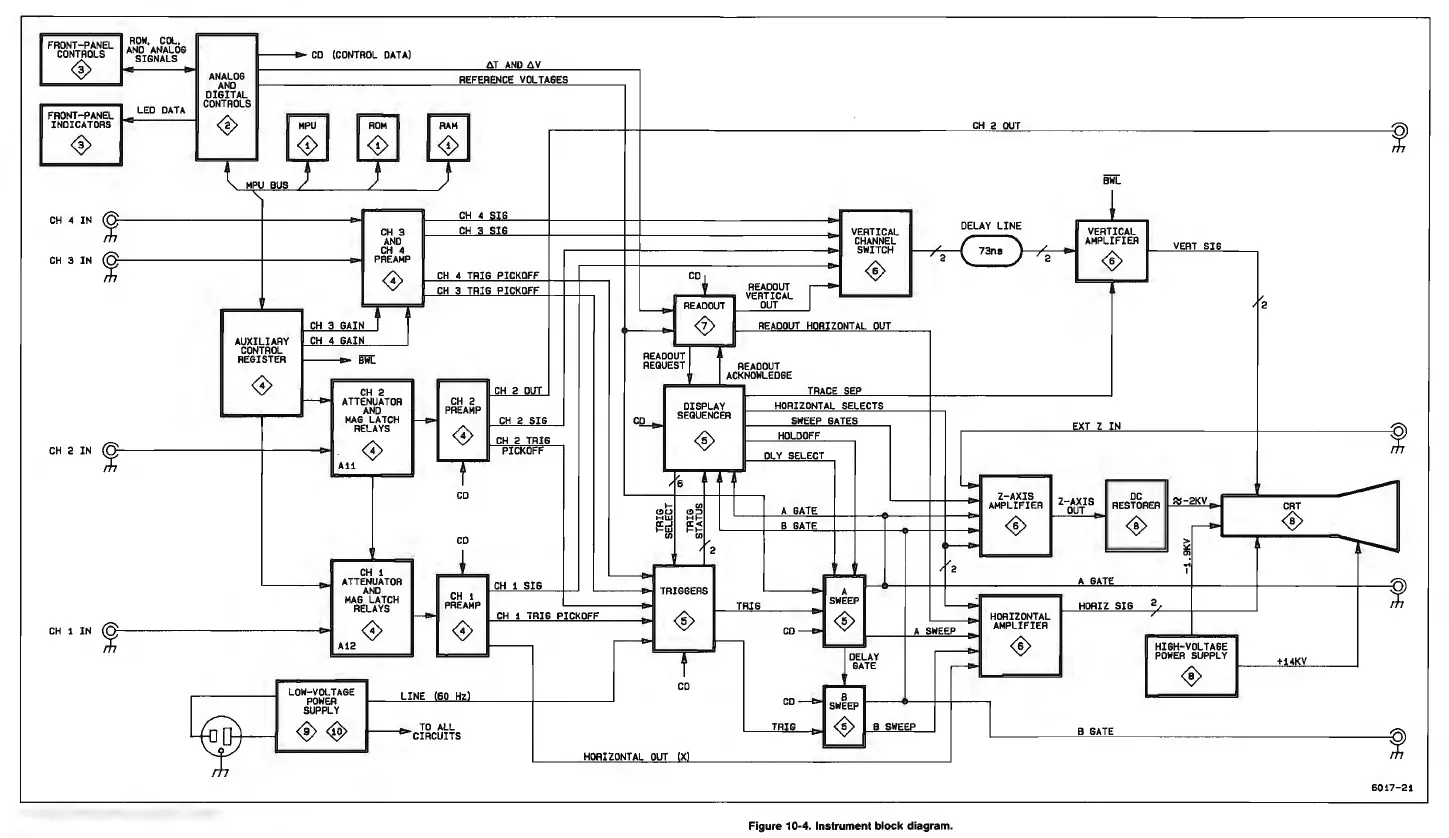
Figure 10-4. Instrument block diagram.

Table of Contents

Related product manuals