EasyManua.ls Logo

Tektronix 2445A - Page 34

Tektronix 2445A
330 pages
Print Icon
To Next Page IconTo Next Page
To Next Page IconTo Next Page
To Previous Page IconTo Previous Page
To Previous Page IconTo Previous Page
Loading...
Theory
of
Operation-2445A/2455A
Service
FRONT-PANEL
ROW,
COL,
CO
(CONTROL
DAT
A)
CONTROLS
AND
ANAL06
SI&NALS
þÿ”T
AND
þÿ”V
ANAL06
REFERENCE
VOL
T
A&ES
AND
DI&ITAL
CONTROLS
FRONT-PANEL
LED
DATA
INDICATORS
MPU
ROM
RAM
MPU
BUS
CH
4
IN
CH
4
SI&
CH
3
CH
3 SIS
ANS
CH
3
IN
CH
PREAMP
,--
0
r.M 4
TRIS
PICKru:'F
CH
3
TRIG
PICKOFF
CH
3
GAIN
AUXILIARY
CH
4
SAIN
CONTROL
RESISTER
IN[
0
CH
2
CH
2
OUT
ATTENUATOR
CH
2
ANO
PAEAMP
CH
2
SI&
MA&
LATCH
CH
2
IN
RELAYS
0
~
0
CH
2
TAI&
-
PICKOFF
AU
t
co
co
CH
1
+
ATTENUATOR
CH
1 SIS
ANO
MA&
LATCH
CH
1
RELAYS
PAEAMP
CH
1
TRI&
PICKOFF
CH
1
IN
~
0
0
A12
LOW-VOLTAGE
LINE
160
Htl
POWER
SUPPLY
0~
TO
ALL
-
CIRCUITS
-
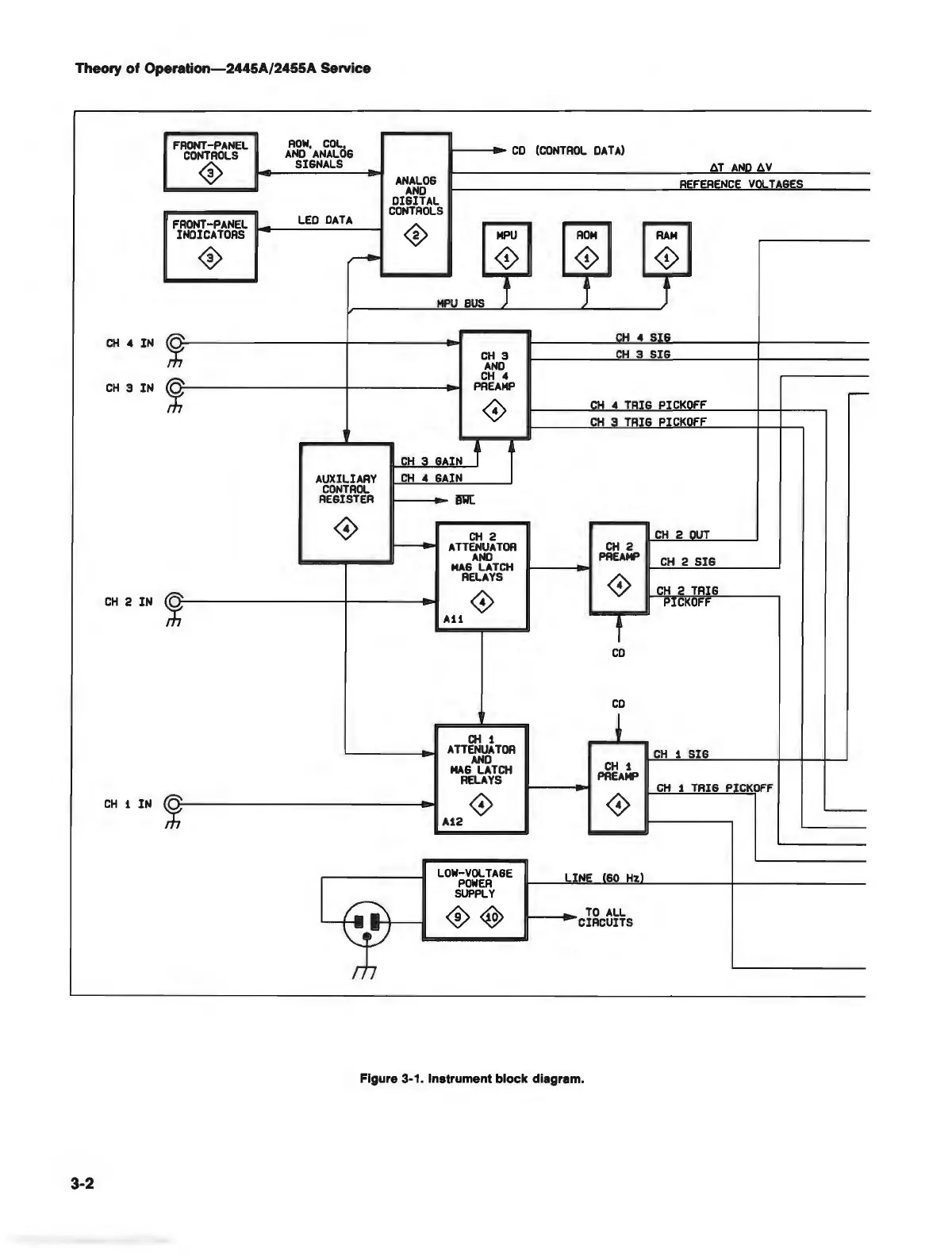
Figure 3-1. Instrument
block
diagram.
3-2

Table of Contents

Related product manuals